О
Новый подлинный Bosch 1609b04686
Шнур питания
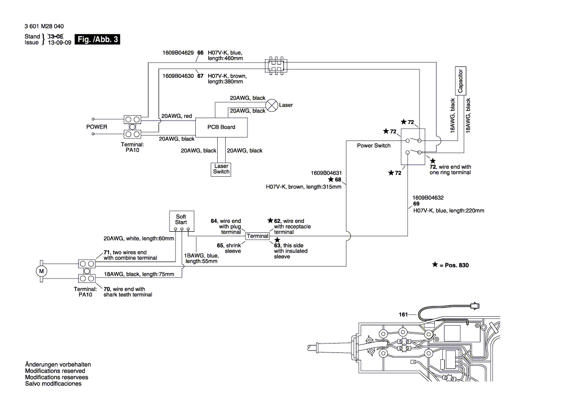
Запасная часть представлена на этой диаграмме на позиции № 5
Эта часть совместима со многими инструментами, включая модели, перечисленные ниже:
3601M280B0 GCD 12 JL Dry Cutter 220 В / ROK
3601M280B1 GCD 12 JL Dry Cutter 220 В / ROK
3601M280F0 GCD 12 JL Dry Cutter 220 В / Инд
Бренд: Bosch
SKU: 1609b04686
EAN: 4059952103853
Новый подлинный Bosch 1609b04686
Шнур питания
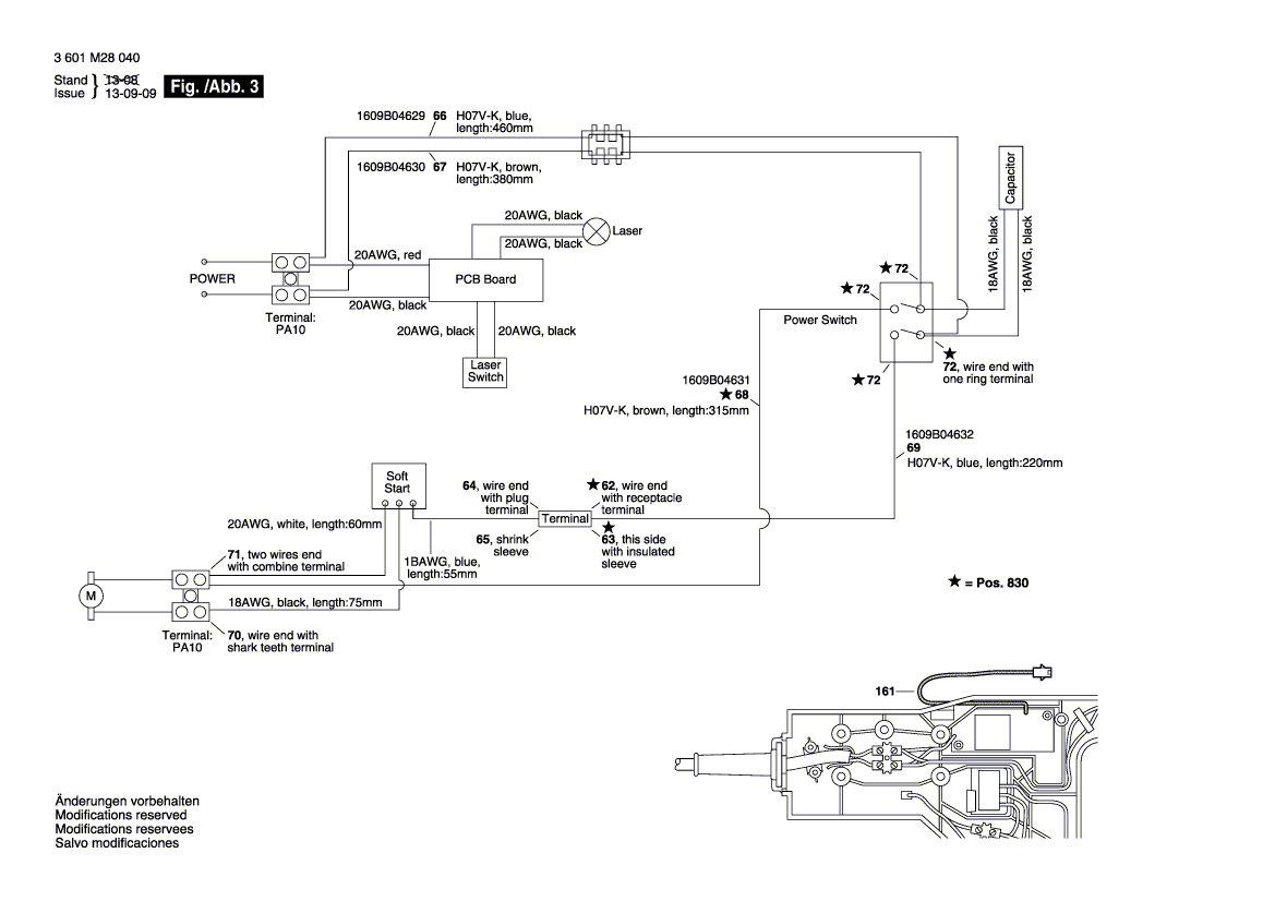
Запасная часть представлена на этой диаграмме на позиции № 5
Эта часть совместима со многими инструментами, включая модели, перечисленные ниже:
3601M280B0 GCD 12 JL Dry Cutter 220 В / ROK
3601M280B1 GCD 12 JL Dry Cutter 220 В / ROK
3601M280F0 GCD 12 JL Dry Cutter 220 В / Инд
Бренд: Bosch
SKU: 1609b04686
EAN: 4059952103853
Новый подлинный Bosch 1609b04686
- Обычная цена
- €40,94
- Цена со скидкой
- €40,94
- Обычная цена
-
€16,06
Не удалось загрузить сведения о доступности самовывоза
