Over
Kenmerken
Nieuwe echte Bosch 1619x04676 kogellager
Kogellager
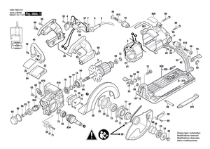
Het reserveonderdeel wordt in dit diagram weergegeven op positie nummer 14
Dit deel is compatibel met veel tools, waaronder de onderstaande modellen:
3601F6D010 CSW41 Circulaire zaag 120 V / USA
3601F6D011 CSW41 Circulaire zaag 120 V / USA
Merk: Bosch
SKU: 1619x04676
EAN: 4059952216898
Kenmerken
Nieuwe echte Bosch 1619x04676 kogellager
Kogellager
Het reserveonderdeel wordt in dit diagram weergegeven op positie nummer 14
Dit deel is compatibel met veel tools, waaronder de onderstaande modellen:
3601F6D010 CSW41 Circulaire zaag 120 V / USA
3601F6D011 CSW41 Circulaire zaag 120 V / USA
Merk: Bosch
SKU: 1619x04676
EAN: 4059952216898
Nieuwe echte Bosch 1619x04676 kogellager
- Normale prijs
- €27,84
- Aanbiedingsprijs
- €27,84
- Normale prijs
-
€4,12
Belasting inbegrepen.
Kan beschikbaarheid voor afhalen niet laden
