À propos
Nouvelle section de logement Bosch 2605104796
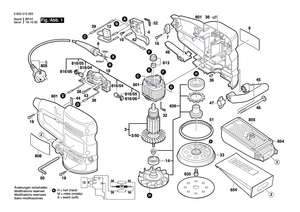
Section de logement
La pièce de rechange est représentée dans ce diagramme à la position numéro 801
Cette pièce est compatible avec de nombreux outils, y compris les modèles énumérés ci-dessous:
0603310003 PEX 12 Une ponceuse orbitale aléatoire 230 V / UE
0603310032 PEX 12 Une ponceuse orbitale aléatoire 230 V / Ch
0603310043 PEX 12 Une ponceuse orbitale aléatoire 230 V / CN
0603310050 PEX 12 Une ponceuse orbitale aléatoire 230 V / I
0603310103 PEX 400 Une ponceuse orbitale aléatoire 230 V / UE
Marque: Bosch
SKU: 2605104796
Ean:
Nouvelle section de logement Bosch 2605104796
Section de logement
La pièce de rechange est représentée dans ce diagramme à la position numéro 801
Cette pièce est compatible avec de nombreux outils, y compris les modèles énumérés ci-dessous:
0603310003 PEX 12 Une ponceuse orbitale aléatoire 230 V / UE
0603310032 PEX 12 Une ponceuse orbitale aléatoire 230 V / Ch
0603310043 PEX 12 Une ponceuse orbitale aléatoire 230 V / CN
0603310050 PEX 12 Une ponceuse orbitale aléatoire 230 V / I
0603310103 PEX 400 Une ponceuse orbitale aléatoire 230 V / UE
Marque: Bosch
SKU: 2605104796
Ean:
Nouvelle section de logement Bosch 2605104796
- Prix régulier
- €40,94
- Prix de vente
- €40,94
- Prix régulier
-
€16,06
Impossible de charger la disponibilité du ramassage
