À propos
Nouvelle plaque de base Bosch 1619x08044
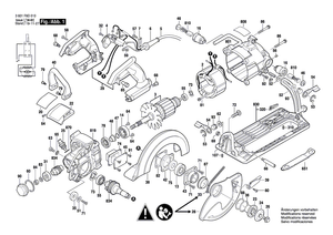
Assiette de base
La pièce de rechange est représentée dans ce diagramme au numéro de position 830
Cette pièce est compatible avec de nombreux outils, y compris les modèles énumérés ci-dessous:
3601F6D010 CSW41 Saw Circular 120 V / USA
3601F6D011 CSW41 Saw Circular 120 V / USA
Marque: Bosch
SKU: 1619x08044
EAN: 4059952219769
Nouvelle plaque de base Bosch 1619x08044
Assiette de base
La pièce de rechange est représentée dans ce diagramme au numéro de position 830
Cette pièce est compatible avec de nombreux outils, y compris les modèles énumérés ci-dessous:
3601F6D010 CSW41 Saw Circular 120 V / USA
3601F6D011 CSW41 Saw Circular 120 V / USA
Marque: Bosch
SKU: 1619x08044
EAN: 4059952219769
Nouvelle plaque de base Bosch 1619x08044
- Prix régulier
- €79,73
- Prix de vente
- €79,73
- Prix régulier
-
€51,41
Impossible de charger la disponibilité du ramassage
