À propos
Nouveau véritable interrupteur Bosch 1607200332
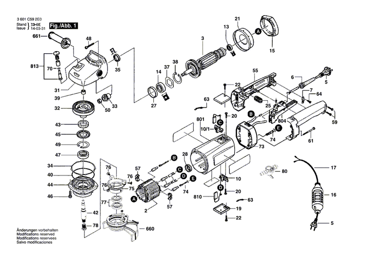
Interrupteur de marche
La pièce de rechange est représentée dans ce diagramme à la position numéro 16
Cette pièce est compatible avec de nombreux outils, y compris les modèles énumérés ci-dessous:
3601C592E0 GNS 14 Polonteur à angle universel 220 V / Br
3601B830E0 GVC 20 ex Hf vibrateur interne 220 V / Br
3601B831E0 GVC 22 vibrateur interne Hf 220 V / Br
3601B831F0 GVC 22 ex vibrateur interne HF 230 V / Ind
3601B831H0 GVX 22 ex Hf vibrateur interne 220 V / AR
3601E48000 GDC 125 SAVE DE COUPE DE MARBRE 220 V / EU
3601B831K0 GVC 22 ex vibrateur interne HF 220 V / ASI
3601B831N0 GVC 22 ex vibrateur interne HF 220 V / RCH
9617081910 GVC 20 vibrateur interne Hf 220 V / Br
Marque: Bosch
SKU: 1607200332
EAN: 4059952601953
Nouveau véritable interrupteur Bosch 1607200332
Interrupteur de marche
La pièce de rechange est représentée dans ce diagramme à la position numéro 16
Cette pièce est compatible avec de nombreux outils, y compris les modèles énumérés ci-dessous:
3601C592E0 GNS 14 Polonteur à angle universel 220 V / Br
3601B830E0 GVC 20 ex Hf vibrateur interne 220 V / Br
3601B831E0 GVC 22 vibrateur interne Hf 220 V / Br
3601B831F0 GVC 22 ex vibrateur interne HF 230 V / Ind
3601B831H0 GVX 22 ex Hf vibrateur interne 220 V / AR
3601E48000 GDC 125 SAVE DE COUPE DE MARBRE 220 V / EU
3601B831K0 GVC 22 ex vibrateur interne HF 220 V / ASI
3601B831N0 GVC 22 ex vibrateur interne HF 220 V / RCH
9617081910 GVC 20 vibrateur interne Hf 220 V / Br
Marque: Bosch
SKU: 1607200332
EAN: 4059952601953
Nouveau véritable interrupteur Bosch 1607200332
- Prix régulier
- €92,06
- Prix de vente
- €92,06
- Prix régulier
-
€62,64
Impossible de charger la disponibilité du ramassage
