À propos
Nouveau véritable bosch 1609203h87 noix hexagonale
Noix hexarrière
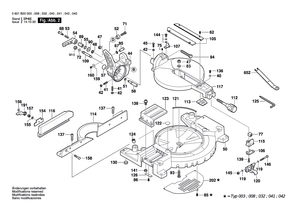
La pièce de rechange est représentée dans ce diagramme au poste de position 206
Cette pièce est compatible avec de nombreux outils, y compris les modèles énumérés ci-dessous:
0601B20003 GCM 10 SHETER SAVE 230 V / EU
0601B20008 GCM 10 SHETER SAYE 230 V / OEU
0601B20014 GCM 10 SHETER SAVE 220 V / BR
0601B20032 GCM 10 SHETER SHETER 230 V / CH
0601B20041 GCM 10 SHADIER SAVE 110 V / GB
0601B20042 GCM 10 SHETER SHETER 230 V / GB
Marque: Bosch
SKU: 1609203H87
EAN: 4059952074634
Nouveau véritable bosch 1609203h87 noix hexagonale
Noix hexarrière
La pièce de rechange est représentée dans ce diagramme au poste de position 206
Cette pièce est compatible avec de nombreux outils, y compris les modèles énumérés ci-dessous:
0601B20003 GCM 10 SHETER SAVE 230 V / EU
0601B20008 GCM 10 SHETER SAYE 230 V / OEU
0601B20014 GCM 10 SHETER SAVE 220 V / BR
0601B20032 GCM 10 SHETER SHETER 230 V / CH
0601B20041 GCM 10 SHADIER SAVE 110 V / GB
0601B20042 GCM 10 SHETER SHETER 230 V / GB
Marque: Bosch
SKU: 1609203H87
EAN: 4059952074634
Nouveau véritable bosch 1609203h87 noix hexagonale
- Prix régulier
- €24,14
- Prix de vente
- €24,14
- Prix régulier
-
€0,74
Impossible de charger la disponibilité du ramassage
