Über
Eigenschaften
Neues echtes Bosch 1609203J28 Stromversorgungskabel
Stromversorgungskabel
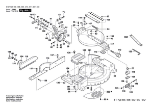
Der Ersatzteil ist in diesem Diagramm an der Positionsnummer 5 dargestellt
Dieser Teil ist mit vielen Tools kompatibel, einschließlich der unten aufgeführten Modelle:
0601B20041 GCM 10 Slide MITRE SAW 110 V / GB
Marke: Bosch
SKU: 1609203J28
EAN: 4059952074900
Eigenschaften
Neues echtes Bosch 1609203J28 Stromversorgungskabel
Stromversorgungskabel
Der Ersatzteil ist in diesem Diagramm an der Positionsnummer 5 dargestellt
Dieser Teil ist mit vielen Tools kompatibel, einschließlich der unten aufgeführten Modelle:
0601B20041 GCM 10 Slide MITRE SAW 110 V / GB
Marke: Bosch
SKU: 1609203J28
EAN: 4059952074900
Neues echtes Bosch 1609203J28 Stromversorgungskabel
- Regulärer Preis
- €38,64
- Verkaufspreis
- €38,64
- Regulärer Preis
-
€13,96
Steuer enthalten.
Abholverfügbarkeit konnte nicht geladen werden
