Über
Neuer echter Bosch F016F05104 Griff
Handhaben
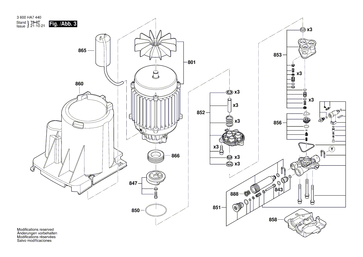
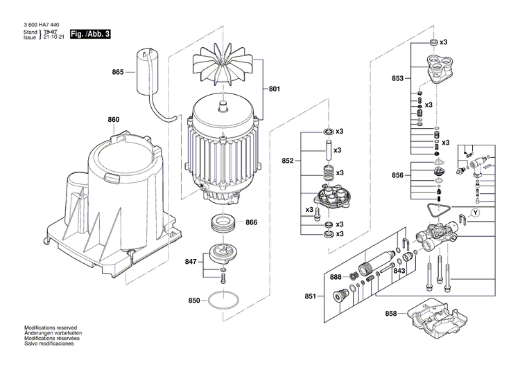
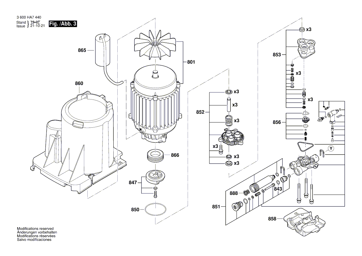
Der Ersatzteil ist in diesem Diagramm an der Position Nummer 833 dargestellt
Dieser Teil ist mit vielen Tools kompatibel, einschließlich der unten aufgeführten Modelle:
3600HA7D00 Advancedaquatak 140 Hochdruckreiniger 230 V / EU
3600HA7D30 Advancedaquatak 140 Hochdruckreiniger 230 V / CH
3600HA7D40 Advancedaquatak 140 Hochdruckreiniger 240 V / AUS
3600HA7D70 Advancedaquatak 140 Hochdruckreiniger 230 V / GB
3600HA7DB0 Advancedaquatak 140 Hochdruckreiniger 230 V / ROK
3600HA7DF0 Advancedaquatak 140 Hochdruckreiniger 230 V / IND
3600HA7DK0 Advancedaquatak 140 Hochdruckreiniger 230 V / ASI
3600HA7DL0 Advancedaquatak 140 Hochdruckreiniger 240 V / Mal
3600HA7DV0 Advancedaquatak 140 Hochdruckreiniger 230 V / T
3600HA7G10 Advancedaquatak 2000 Hochdruckreiniger 120 V / USA
3600HA7300 AQT 42-13 Hochdruckreiniger 230 V / EU
3600HA7301 AQT 42-13 Hochdruckreiniger 230 V / EU
3600HA7330 AQT 42-13 Hochdruckreiniger 230 V / CH
3600HA7340 AQT 42-13 Hochdruckreiniger 240 V / AUS
3600HA7370 AQT 42-13 Hochdruckreiniger 230 V / GB
3600HA7371 AQT 42-13 Hochdruckreiniger 230 V / GB
3600HA73B0 AQT 42-13 Hochdruckreiniger 18 V / ROK
3600HA73B1 AQT 42-13 Hochdruckreiniger 230 V / ROK
3600HA73F0 AQT 42-13 Hochdruckreiniger 230 V / IND
3600HA73F1 AQT 42-13 Hochdruckreiniger 230 V / IND
3600HA73K0 AQT 42-13 Hochdruckreiniger 230 V / ASI
3600HA73K1 AQT 42-13 Hochdruckreiniger 230 V / ASI
3600HA73K3 AQT 42-13 Hochdruckreiniger 230 V / T
3600HA73L0 AQT 42-13 Hochdruckreiniger 240 V / Mal
3600HA73L1 AQT 42-13 Hochdruckreiniger 230 V / Mal
3600HA7400 AQT 45-14 x Hochdruckreiniger 230 V / EU
3600HA7430 AQT 45-14 x Hochdruckreiniger 230 V / CH
3600HA7440 AQT 45-14 x Hochdruckreiniger 240 V / AUS
3600HA7470 AQT 45-14 x Hochdruckreiniger 230 V / GB
3600HA74F0 AQT 45-14 x Hochdruckreiniger 230 V / IND
3600HA74K0 AQT 45-14 x Hochdruckreiniger 230 V / ASI
3600HA74L0 AQT 45-14 x Hochdruckreiniger 240 V / Mal
Marke: Bosch
SKU: F016F05104
EAN: 4059952480879
Neuer echter Bosch F016F05104 Griff
Handhaben
Der Ersatzteil ist in diesem Diagramm an der Position Nummer 833 dargestellt
Dieser Teil ist mit vielen Tools kompatibel, einschließlich der unten aufgeführten Modelle:
3600HA7D00 Advancedaquatak 140 Hochdruckreiniger 230 V / EU
3600HA7D30 Advancedaquatak 140 Hochdruckreiniger 230 V / CH
3600HA7D40 Advancedaquatak 140 Hochdruckreiniger 240 V / AUS
3600HA7D70 Advancedaquatak 140 Hochdruckreiniger 230 V / GB
3600HA7DB0 Advancedaquatak 140 Hochdruckreiniger 230 V / ROK
3600HA7DF0 Advancedaquatak 140 Hochdruckreiniger 230 V / IND
3600HA7DK0 Advancedaquatak 140 Hochdruckreiniger 230 V / ASI
3600HA7DL0 Advancedaquatak 140 Hochdruckreiniger 240 V / Mal
3600HA7DV0 Advancedaquatak 140 Hochdruckreiniger 230 V / T
3600HA7G10 Advancedaquatak 2000 Hochdruckreiniger 120 V / USA
3600HA7300 AQT 42-13 Hochdruckreiniger 230 V / EU
3600HA7301 AQT 42-13 Hochdruckreiniger 230 V / EU
3600HA7330 AQT 42-13 Hochdruckreiniger 230 V / CH
3600HA7340 AQT 42-13 Hochdruckreiniger 240 V / AUS
3600HA7370 AQT 42-13 Hochdruckreiniger 230 V / GB
3600HA7371 AQT 42-13 Hochdruckreiniger 230 V / GB
3600HA73B0 AQT 42-13 Hochdruckreiniger 18 V / ROK
3600HA73B1 AQT 42-13 Hochdruckreiniger 230 V / ROK
3600HA73F0 AQT 42-13 Hochdruckreiniger 230 V / IND
3600HA73F1 AQT 42-13 Hochdruckreiniger 230 V / IND
3600HA73K0 AQT 42-13 Hochdruckreiniger 230 V / ASI
3600HA73K1 AQT 42-13 Hochdruckreiniger 230 V / ASI
3600HA73K3 AQT 42-13 Hochdruckreiniger 230 V / T
3600HA73L0 AQT 42-13 Hochdruckreiniger 240 V / Mal
3600HA73L1 AQT 42-13 Hochdruckreiniger 230 V / Mal
3600HA7400 AQT 45-14 x Hochdruckreiniger 230 V / EU
3600HA7430 AQT 45-14 x Hochdruckreiniger 230 V / CH
3600HA7440 AQT 45-14 x Hochdruckreiniger 240 V / AUS
3600HA7470 AQT 45-14 x Hochdruckreiniger 230 V / GB
3600HA74F0 AQT 45-14 x Hochdruckreiniger 230 V / IND
3600HA74K0 AQT 45-14 x Hochdruckreiniger 230 V / ASI
3600HA74L0 AQT 45-14 x Hochdruckreiniger 240 V / Mal
Marke: Bosch
SKU: F016F05104
EAN: 4059952480879
Neuer echter Bosch F016F05104 Griff
- Regulärer Preis
- €57,64
- Verkaufspreis
- €57,64
- Regulärer Preis
-
€31,27
Abholverfügbarkeit konnte nicht geladen werden
