Über
Neue echte Bosch 2603450005 Sechskantschraube
Sechskantschraube
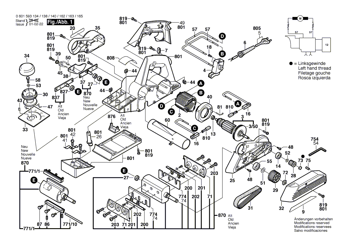
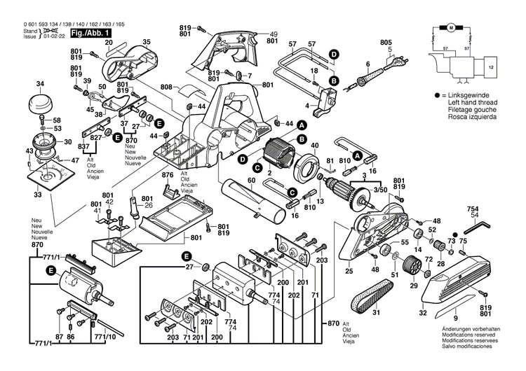
Der Ersatzteil ist in diesem Diagramm an der Position Nummer 87 dargestellt
Dieser Teil ist mit vielen Tools kompatibel, einschließlich der unten aufgeführten Modelle:
0603258403 Pho 20-82 Tragbarer Planer 230 V / EU
0603258430 Pho 20-82 Tragbarer Planer 230 V / AFR
0603258432 Pho 20-82 Tragbarer Planer 230 V / CH
0603258433 Pho 20-82 Tragbarer Planer 230 V / SKA
0603258434 Pho 20-82 Tragbarer Planer 115 v / sAM
0603258437 Pho 20-82 Tragbarer Planer 240 V / AUS
0603258438 Pho 20-82 Tragbarer Planer 100 V / J.
0603258439 3258 tragbarer Planer 115 v / USA
0603258442 Pho 20-82 Combi Planer P 230 V / GB
0603258450 PHO 20-82 Tragbarer Planer 230 V / i
0603259203 PHO 30-82 Combi-Planer P 230 V / EU
0603259232 Pho 30-82 Tragbarer Planer 230 V / CH
0603259233 Pho 30-82 Tragbarer Planer 230 V / SKA
0603259234 Pho 30-82 Tragbarer Planer 115 V / SAM
0603259237 Pho 30-82 Tragbarer Planer 240 V / AUS
0603259238 Pho 30-82 Tragbarer Planer 100 V / J.
0603259242 Pho 30-82 Combi Planer P 240 V / GB
0603259248 Pho 30-82 Tragbarer Planer 230 V / F.
0603259250 PHO 30-82 Tragbarer Planer 230 V / i
0603259260 Pho 30-82 Tragbarer Planer 230 V / N
0603296763 Pho 35-82 C Tragbarer Planer 230 V / EU
0601593003 Gho 31-82 Tragbarer Planer 230 V / EU
0601593032 Gho 31-82 Tragbarer Planer 220 V / CH
0601593033 Gho 31-82 Tragbarer Hobel 220 V / SKA
0601593034 Gho 31-82 Universal tragbarer Planer 115 v / sam
0601593037 Gho 31-82 Universal tragbarer Planer 240 V / AUS
0601593038 Gho 31-82 Tragbarer Planer 100 V / J.
0601593039 1593 tragbarer Planer 115 v / USA
0601593041 GHO 31-82 Tragbarer Planer 110 V / GB
0601593042 Gho 31-82 Universal tragbarer Planer 240 V / GB
0601593140 Gho 31-82 Tragbarer Planer 220 V / ROK
0601593141 Gho 31-82 Tragbarer Planer 110 V / GB
0601593142 Gho 31-82 Tragbarer Planer 240 V / GB
0601593150 GHO 31-82 Tragbarer Planer 230 V / i
0601593160 Gho 31-82 Tragbarer Planer 110 V / GB
0601593161 Gho 31-82 Tragbarer Planer 110 V / GB
0601593162 Gho 31-82 Tragbarer Planer 230 V / T
0601593163 Gho 31-82 Tragbarer Planer 240 V / MAL
0601593164 Gho 31-82 Tragbarer Planer 230 V / i
0601593165 Gho 31-82 Tragbarer Planer 230 v / Br
Marke: Bosch
SKU: 2603450005
EAN:
Neue echte Bosch 2603450005 Sechskantschraube
Sechskantschraube
Der Ersatzteil ist in diesem Diagramm an der Position Nummer 87 dargestellt
Dieser Teil ist mit vielen Tools kompatibel, einschließlich der unten aufgeführten Modelle:
0603258403 Pho 20-82 Tragbarer Planer 230 V / EU
0603258430 Pho 20-82 Tragbarer Planer 230 V / AFR
0603258432 Pho 20-82 Tragbarer Planer 230 V / CH
0603258433 Pho 20-82 Tragbarer Planer 230 V / SKA
0603258434 Pho 20-82 Tragbarer Planer 115 v / sAM
0603258437 Pho 20-82 Tragbarer Planer 240 V / AUS
0603258438 Pho 20-82 Tragbarer Planer 100 V / J.
0603258439 3258 tragbarer Planer 115 v / USA
0603258442 Pho 20-82 Combi Planer P 230 V / GB
0603258450 PHO 20-82 Tragbarer Planer 230 V / i
0603259203 PHO 30-82 Combi-Planer P 230 V / EU
0603259232 Pho 30-82 Tragbarer Planer 230 V / CH
0603259233 Pho 30-82 Tragbarer Planer 230 V / SKA
0603259234 Pho 30-82 Tragbarer Planer 115 V / SAM
0603259237 Pho 30-82 Tragbarer Planer 240 V / AUS
0603259238 Pho 30-82 Tragbarer Planer 100 V / J.
0603259242 Pho 30-82 Combi Planer P 240 V / GB
0603259248 Pho 30-82 Tragbarer Planer 230 V / F.
0603259250 PHO 30-82 Tragbarer Planer 230 V / i
0603259260 Pho 30-82 Tragbarer Planer 230 V / N
0603296763 Pho 35-82 C Tragbarer Planer 230 V / EU
0601593003 Gho 31-82 Tragbarer Planer 230 V / EU
0601593032 Gho 31-82 Tragbarer Planer 220 V / CH
0601593033 Gho 31-82 Tragbarer Hobel 220 V / SKA
0601593034 Gho 31-82 Universal tragbarer Planer 115 v / sam
0601593037 Gho 31-82 Universal tragbarer Planer 240 V / AUS
0601593038 Gho 31-82 Tragbarer Planer 100 V / J.
0601593039 1593 tragbarer Planer 115 v / USA
0601593041 GHO 31-82 Tragbarer Planer 110 V / GB
0601593042 Gho 31-82 Universal tragbarer Planer 240 V / GB
0601593140 Gho 31-82 Tragbarer Planer 220 V / ROK
0601593141 Gho 31-82 Tragbarer Planer 110 V / GB
0601593142 Gho 31-82 Tragbarer Planer 240 V / GB
0601593150 GHO 31-82 Tragbarer Planer 230 V / i
0601593160 Gho 31-82 Tragbarer Planer 110 V / GB
0601593161 Gho 31-82 Tragbarer Planer 110 V / GB
0601593162 Gho 31-82 Tragbarer Planer 230 V / T
0601593163 Gho 31-82 Tragbarer Planer 240 V / MAL
0601593164 Gho 31-82 Tragbarer Planer 230 V / i
0601593165 Gho 31-82 Tragbarer Planer 230 v / Br
Marke: Bosch
SKU: 2603450005
EAN:
Neue echte Bosch 2603450005 Sechskantschraube
- Regulärer Preis
- €26,51
- Verkaufspreis
- €26,51
- Regulärer Preis
-
€2,90
Abholverfügbarkeit konnte nicht geladen werden
