Über
Neue echte Bosch 2601015064 Siegel
Siegel
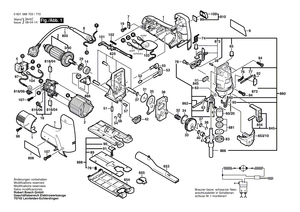
Der Ersatzteil ist in diesem Diagramm an der Position Nummer 65 dargestellt
Dieser Teil ist mit vielen Tools kompatibel, einschließlich der unten aufgeführten Modelle:
0601598460 52314 Cordless Jigsaw 14.4 V / USA
0601588003 GST 100 Jig SAW 230 V / EU
0601588008 GST 100 Jig SAW 230 V / OEU
0601588032 GST 100 Jig SAW 230 V / CH
0601588034 GST 100 Jig SAW 115 V / SAM
0601588037 GST 100 Jig SAW 240 V / AUS
0601588039 ---- Jig sah 115 V / USA
0601588050 GST 100 Jig Saw 230 V / i
0601588060 GST 100 Jig SAW 230 V / EU
0601588103 GST 100 Jig SAW 230 V / EU
0601588108 GST 100 Jig SAW 230 V / OEU
0601588132 GST 100 Jig SAW 230 V / CH
0601588133 GST 100 Jig SAW 230 V / SKA
0601588134 GST 100 JIG SAW 115 V / SAM
0601588137 GST 100 Jig SAW 240 V / AUS
0601588150 GST 100 Jig Saw 230 V / i
0601588603 GST 100 CE Jig SAW 230 V / EU
0601588608 GST 100 CE Jig SAW 230 V / CH
0601588615 GST 100 CE Jig SAW 230 V / AR
0601588632 GST 100 CE Jig SAW 230 V / CH
0601588633 GST 100 CE Jig SAW 230 V / SKA
0601588634 GST 100 CE Jig SAY 115 V / SAM
0601588637 GST 100 CE JIG SAW 240 V / AUS
0601588638 GST 100 CE JIG SAW 100 V / J.
0601588650 GST 100 CE Jig Saw 230 V / i
0601588703 GST 100 CE Jig SAW 230 V / EU
0601588708 GST 100 CE Jig SAW 230 V / OEU
0601588715 GST 100 CE Jig SAW 230 V / AR
0601588732 GST 100 CE Jig SAW 230 V / CH
0601588734 GST 100 CE Jig SAY 115 V / SAM
0601588737 GST 100 CE JIG SAW 240 V / AUS
0601588738 GST 100 CE JIG SAW 100 V / J.
0601588739 1588 EVSK JIG SAW 120 V / USA
0601588750 GST 100 CE Jig Saw 230 V / i
0601588760 GST 100 CE Jig SAW 230 V / EU
0601588769 1588 EVS JIG SAW 120 V / USA
0601997678 GST 100 CE Jig SAW 230 V / EU
0601997679 GST 100 CE Jig SAW 230 V / EU
0601997680 GST 100 BCE JIG SAW 230 V / EU
0601997681 GST 100 BCE JIG SAW 230 V / EU
Marke: Bosch
SKU: 2601015064
EAN: 4059952230146
Neue echte Bosch 2601015064 Siegel
Siegel
Der Ersatzteil ist in diesem Diagramm an der Position Nummer 65 dargestellt
Dieser Teil ist mit vielen Tools kompatibel, einschließlich der unten aufgeführten Modelle:
0601598460 52314 Cordless Jigsaw 14.4 V / USA
0601588003 GST 100 Jig SAW 230 V / EU
0601588008 GST 100 Jig SAW 230 V / OEU
0601588032 GST 100 Jig SAW 230 V / CH
0601588034 GST 100 Jig SAW 115 V / SAM
0601588037 GST 100 Jig SAW 240 V / AUS
0601588039 ---- Jig sah 115 V / USA
0601588050 GST 100 Jig Saw 230 V / i
0601588060 GST 100 Jig SAW 230 V / EU
0601588103 GST 100 Jig SAW 230 V / EU
0601588108 GST 100 Jig SAW 230 V / OEU
0601588132 GST 100 Jig SAW 230 V / CH
0601588133 GST 100 Jig SAW 230 V / SKA
0601588134 GST 100 JIG SAW 115 V / SAM
0601588137 GST 100 Jig SAW 240 V / AUS
0601588150 GST 100 Jig Saw 230 V / i
0601588603 GST 100 CE Jig SAW 230 V / EU
0601588608 GST 100 CE Jig SAW 230 V / CH
0601588615 GST 100 CE Jig SAW 230 V / AR
0601588632 GST 100 CE Jig SAW 230 V / CH
0601588633 GST 100 CE Jig SAW 230 V / SKA
0601588634 GST 100 CE Jig SAY 115 V / SAM
0601588637 GST 100 CE JIG SAW 240 V / AUS
0601588638 GST 100 CE JIG SAW 100 V / J.
0601588650 GST 100 CE Jig Saw 230 V / i
0601588703 GST 100 CE Jig SAW 230 V / EU
0601588708 GST 100 CE Jig SAW 230 V / OEU
0601588715 GST 100 CE Jig SAW 230 V / AR
0601588732 GST 100 CE Jig SAW 230 V / CH
0601588734 GST 100 CE Jig SAY 115 V / SAM
0601588737 GST 100 CE JIG SAW 240 V / AUS
0601588738 GST 100 CE JIG SAW 100 V / J.
0601588739 1588 EVSK JIG SAW 120 V / USA
0601588750 GST 100 CE Jig Saw 230 V / i
0601588760 GST 100 CE Jig SAW 230 V / EU
0601588769 1588 EVS JIG SAW 120 V / USA
0601997678 GST 100 CE Jig SAW 230 V / EU
0601997679 GST 100 CE Jig SAW 230 V / EU
0601997680 GST 100 BCE JIG SAW 230 V / EU
0601997681 GST 100 BCE JIG SAW 230 V / EU
Marke: Bosch
SKU: 2601015064
EAN: 4059952230146
Neue echte Bosch 2601015064 Siegel
- Regulärer Preis
- €24,70
- Verkaufspreis
- €24,70
- Regulärer Preis
-
€1,25
Abholverfügbarkeit konnte nicht geladen werden
