Über
Neue echte Bosch 1609b07612 Verriegelungshebel
Schließhebel
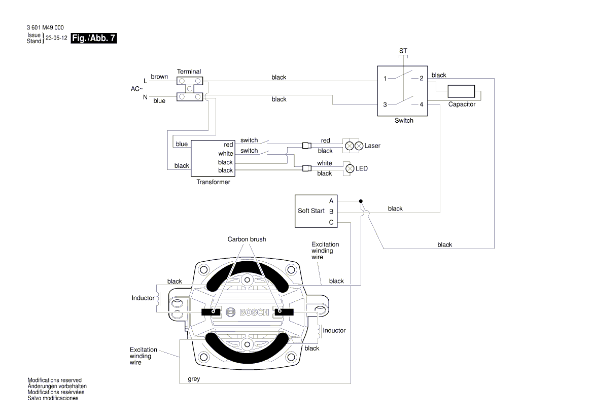
Der Ersatzteil ist in diesem Diagramm an der Position Nummer 96 dargestellt
Dieser Teil ist mit vielen Tools kompatibel, einschließlich der unten aufgeführten Modelle:
3601m49000 GCM 305-216 D zusammengesetztes Gehrungssäge 230 V / ---
3601m49030 GCM 305-216 D Compound Gehrungssäge 230 V / ---
3601M49040 GCM 305-216 D Compound GanTe SAW 240 V / ---
3601M49070 GCM 305-216 D Compound GanTe SAW 230 V / ---
3601M490B0 GCM 305-216 D Compound Gehrung 230 V / ---
3601m51000 GCM 18V-216 D Compound Gehrung SAW 18 V / EU
3601M51040 GCM 18V-216 D Compound GanT SAW 18 V / AUS
3601m51080 GCM 18V-216 D Compound GanTe SAW 18 V / CN
3601m510b0 GCM 18V-216 D Compound GanTe SAW 18 V / ASI
Marke: Bosch
SKU: 1609B07612
EAN: 4059952705026
Neue echte Bosch 1609b07612 Verriegelungshebel
Schließhebel
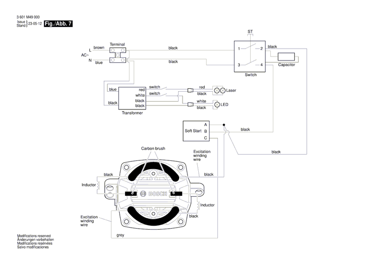
Der Ersatzteil ist in diesem Diagramm an der Position Nummer 96 dargestellt
Dieser Teil ist mit vielen Tools kompatibel, einschließlich der unten aufgeführten Modelle:
3601m49000 GCM 305-216 D zusammengesetztes Gehrungssäge 230 V / ---
3601m49030 GCM 305-216 D Compound Gehrungssäge 230 V / ---
3601M49040 GCM 305-216 D Compound GanTe SAW 240 V / ---
3601M49070 GCM 305-216 D Compound GanTe SAW 230 V / ---
3601M490B0 GCM 305-216 D Compound Gehrung 230 V / ---
3601m51000 GCM 18V-216 D Compound Gehrung SAW 18 V / EU
3601M51040 GCM 18V-216 D Compound GanT SAW 18 V / AUS
3601m51080 GCM 18V-216 D Compound GanTe SAW 18 V / CN
3601m510b0 GCM 18V-216 D Compound GanTe SAW 18 V / ASI
Marke: Bosch
SKU: 1609B07612
EAN: 4059952705026
Neue echte Bosch 1609b07612 Verriegelungshebel
- Regulärer Preis
- €27,84
- Verkaufspreis
- €27,84
- Regulärer Preis
-
€4,12
Abholverfügbarkeit konnte nicht geladen werden
