Über
Neue echte Bosch 1609203N97 Unterstützung
Unterstützung
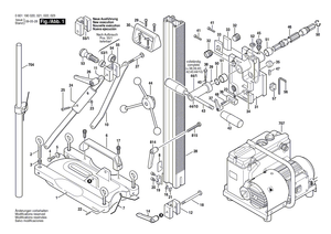
Der Ersatzteil ist in diesem Diagramm an der Position Nummer 90/20 dargestellt
Dieser Teil ist mit vielen Tools kompatibel, einschließlich der unten aufgeführten Modelle:
0601190020 S 500 Bohrstand / ---
0601190021 S 500 Bohrstand / OEU
0601190022 S 500 Bohrstand / ASI
0601190023 S 500 Drill Stand / USA
0601190025 S 500 A Drill Stand / EU
Marke: Bosch
SKU: 1609203N97
EAN: 4059952076423
Neue echte Bosch 1609203N97 Unterstützung
Unterstützung
Der Ersatzteil ist in diesem Diagramm an der Position Nummer 90/20 dargestellt
Dieser Teil ist mit vielen Tools kompatibel, einschließlich der unten aufgeführten Modelle:
0601190020 S 500 Bohrstand / ---
0601190021 S 500 Bohrstand / OEU
0601190022 S 500 Bohrstand / ASI
0601190023 S 500 Drill Stand / USA
0601190025 S 500 A Drill Stand / EU
Marke: Bosch
SKU: 1609203N97
EAN: 4059952076423
Neue echte Bosch 1609203N97 Unterstützung
- Regulärer Preis
- €135,11
- Verkaufspreis
- €135,11
- Regulärer Preis
-
€101,89
Abholverfügbarkeit konnte nicht geladen werden
