Om
Ny ekte Bosch 2600005008 filt vaskemaskin
Følte vaskemaskin
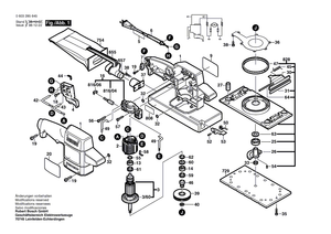
Reservedelen er representert i dette diagrammet på posisjonsnummer 60
Denne delen er kompatibel med mange verktøy, inkludert modellene som er oppført nedenfor:
0603247035 B7100 Orbital Sander 120 V / USA
0603247045 PSS 23 A Orbital Sander 115 V / CDN
0603285103 PSS 28 A Orbital Sander 230 V / EU
0603285130 PSS 28 A Orbital Sander 230 V / AFR
0603285131 PSS 28 A Orbital Sander 115 V / AFR
0603285132 PSS 28 A Orbital Sander 230 V / CH
0603285134 PSS 28 A Orbital Sander 115 V / Sam
0603285135 B7150 Orbital Sander 120 V / USA
0603285137 PSS 28 A Orbital Sander 240 V / AUS
0603285138 PSS 28 A Orbital Sander 100 V / J
0603285142 PSS 28 A Orbital Sander 240 V / GB
0603285143 PSS 28 A Orbital Sander 230 V / CN
0603285150 PSS 28 A Orbital Sander 230 V / I
0603285603 PSS 28 AE Orbital Sander 230 V / EU
0603285608 PSS 28 AE Orbital Sander 230 V / OEU
0603285632 PSS 28 AE Orbital Sander 230 V / CH
0603285634 PSS 28 AE Orbital Sander 115 V / Sam
0603285637 PSS 28 AE Orbital Sander 240 V / AUS
0603285638 PSS 28 AE Orbital Sander 100 V / J
0603285642 PSS 28 AE Orbital Sander 240 V / GB
0603285645 PSS 28 AE Orbital Sander 115 V / CDN
0603285650 PSS 28 AE Orbital Sander 230 V / I
Merke: Bosch
SKU: 2600005008
EAN:
Ny ekte Bosch 2600005008 filt vaskemaskin
Følte vaskemaskin
Reservedelen er representert i dette diagrammet på posisjonsnummer 60
Denne delen er kompatibel med mange verktøy, inkludert modellene som er oppført nedenfor:
0603247035 B7100 Orbital Sander 120 V / USA
0603247045 PSS 23 A Orbital Sander 115 V / CDN
0603285103 PSS 28 A Orbital Sander 230 V / EU
0603285130 PSS 28 A Orbital Sander 230 V / AFR
0603285131 PSS 28 A Orbital Sander 115 V / AFR
0603285132 PSS 28 A Orbital Sander 230 V / CH
0603285134 PSS 28 A Orbital Sander 115 V / Sam
0603285135 B7150 Orbital Sander 120 V / USA
0603285137 PSS 28 A Orbital Sander 240 V / AUS
0603285138 PSS 28 A Orbital Sander 100 V / J
0603285142 PSS 28 A Orbital Sander 240 V / GB
0603285143 PSS 28 A Orbital Sander 230 V / CN
0603285150 PSS 28 A Orbital Sander 230 V / I
0603285603 PSS 28 AE Orbital Sander 230 V / EU
0603285608 PSS 28 AE Orbital Sander 230 V / OEU
0603285632 PSS 28 AE Orbital Sander 230 V / CH
0603285634 PSS 28 AE Orbital Sander 115 V / Sam
0603285637 PSS 28 AE Orbital Sander 240 V / AUS
0603285638 PSS 28 AE Orbital Sander 100 V / J
0603285642 PSS 28 AE Orbital Sander 240 V / GB
0603285645 PSS 28 AE Orbital Sander 115 V / CDN
0603285650 PSS 28 AE Orbital Sander 230 V / I
Merke: Bosch
SKU: 2600005008
EAN:
Ny ekte Bosch 2600005008 filt vaskemaskin
- Vanlig pris
- €24,70
- Salgspris
- €24,70
- Vanlig pris
-
€1,25
Kunne ikke laste tilgjengelighet
