Teave
Uus originaalne Bosch 1609B01642 käepide
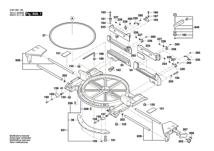
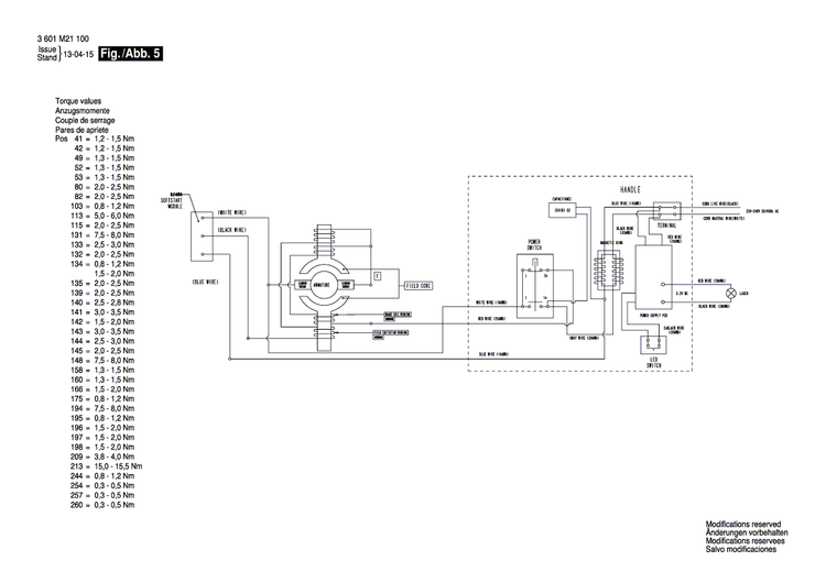
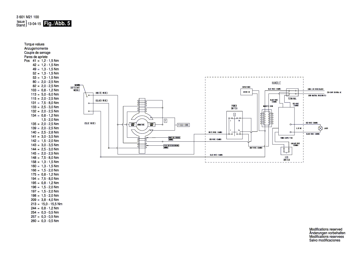
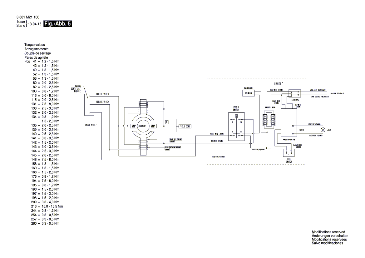
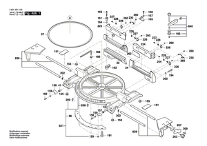
Käepide
Varuosa on sellel diagrammil kujutatud positsiooninumbri 892 all.
See osa ühildub paljude tööriistadega, sh allpool loetletud mudelitega:
3601M21100 GCM 12 JL kaldlõikussaag 230 V / EU
3601M21130 GCM 12 JL kaldlõikussaag 230 V / CH
3601M21190 GCM 12 JL kaldlõikussaag 230 V / SAM
3601M211P0 GCM 12 JL kaldlõikussaag 230 V / SMA
Kaubamärk: Bosch
Tootekood: 1609B01642
EAN: 4059952095479
Uus originaalne Bosch 1609B01642 käepide
Käepide
Varuosa on sellel diagrammil kujutatud positsiooninumbri 892 all.
See osa ühildub paljude tööriistadega, sh allpool loetletud mudelitega:
3601M21100 GCM 12 JL kaldlõikussaag 230 V / EU
3601M21130 GCM 12 JL kaldlõikussaag 230 V / CH
3601M21190 GCM 12 JL kaldlõikussaag 230 V / SAM
3601M211P0 GCM 12 JL kaldlõikussaag 230 V / SMA
Kaubamärk: Bosch
Tootekood: 1609B01642
EAN: 4059952095479
Uus originaalne Bosch 1609B01642 käepide
- Tavaline hind
- €36,96
- Allahindlushind
- €36,96
- Tavaline hind
-
€12,42
Järeletulemise saadavust ei õnnestunud laadida
