Teave
Omadused
Uus originaalne Bosch 160343002S kruvi
Kruvi
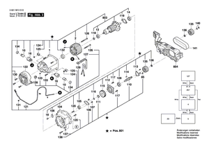
Varuosa on sellel diagrammil kujutatud positsiooninumbri 169 all.
See osa ühildub paljude tööriistadega, sh allpool loetletud mudelitega:
3601M13510 GTS1041A lauasaag 120 V / USA
Kaubamärk: Bosch
Tootekood: 160343002S
EAN: 4059952041292
Omadused
Uus originaalne Bosch 160343002S kruvi
Kruvi
Varuosa on sellel diagrammil kujutatud positsiooninumbri 169 all.
See osa ühildub paljude tööriistadega, sh allpool loetletud mudelitega:
3601M13510 GTS1041A lauasaag 120 V / USA
Kaubamärk: Bosch
Tootekood: 160343002S
EAN: 4059952041292
Uus originaalne Bosch 160343002S kruvi
- Tavaline hind
- €24,14
- Allahindlushind
- €24,14
- Tavaline hind
-
€0,74
Käibemaks on hinna sees.
Järeletulemise saadavust ei õnnestunud laadida
