Teave
Uus originaalne Bosch 160111C07W tootja nimesilt
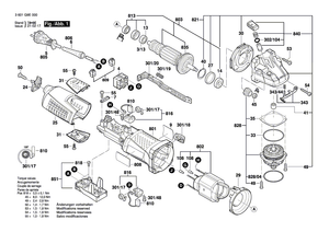
Tootja nimesilt
Varuosa on sellel diagrammil kujutatud positsiooninumbri 9 all.
See osa ühildub paljude tööriistadega, sh allpool loetletud mudelitega:
3601G9E000 GWS 13-125 CI nurklihvija 230 V / EL
3601G9E030 GWS 13-125 CI nurklihvija 230 V / RCH
3601G9E040 GWS 13-125 CI nurklihvija 240 V / AUS
3601G9E070 GWS 13-125 CI nurklihvija 230 V / GB
3601G9E090 GWS 13-125 CI nurklihvija 230 V / IL
3601G9E0E0 GWS 13-125 CI nurklihvija 220 V / BR
3601G9E0H0 GWS 13-125 CI nurklihvija 220 V / AR
Kaubamärk: Bosch
Tootekood: 160111C07W
EAN: 4059952034874
Uus originaalne Bosch 160111C07W tootja nimesilt
Tootja nimesilt
Varuosa on sellel diagrammil kujutatud positsiooninumbri 9 all.
See osa ühildub paljude tööriistadega, sh allpool loetletud mudelitega:
3601G9E000 GWS 13-125 CI nurklihvija 230 V / EL
3601G9E030 GWS 13-125 CI nurklihvija 230 V / RCH
3601G9E040 GWS 13-125 CI nurklihvija 240 V / AUS
3601G9E070 GWS 13-125 CI nurklihvija 230 V / GB
3601G9E090 GWS 13-125 CI nurklihvija 230 V / IL
3601G9E0E0 GWS 13-125 CI nurklihvija 220 V / BR
3601G9E0H0 GWS 13-125 CI nurklihvija 220 V / AR
Kaubamärk: Bosch
Tootekood: 160111C07W
EAN: 4059952034874
Uus originaalne Bosch 160111C07W tootja nimesilt
- Tavaline hind
- €25,52
- Allahindlushind
- €25,52
- Tavaline hind
-
€2,00
Järeletulemise saadavust ei õnnestunud laadida
