Teave
Uus originaalne Bosch 1600910019 otsikupesa
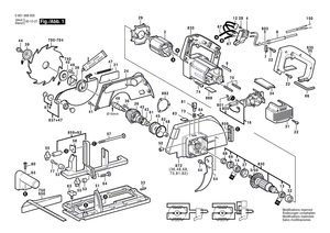
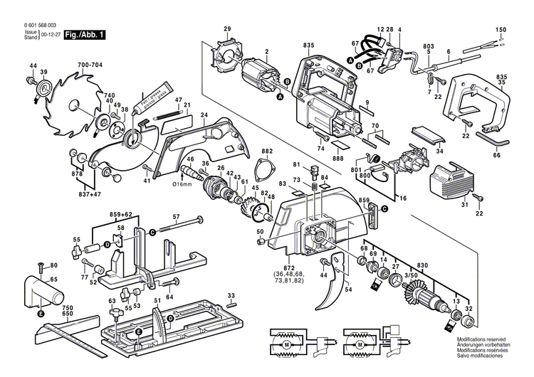
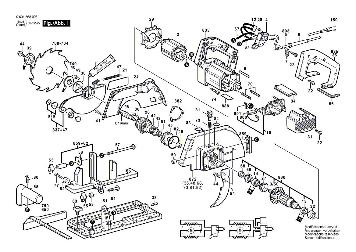
Otsiku pesa
Varuosa on sellel diagrammil kujutatud positsiooninumbri 48 all.
See osa ühildub paljude tööriistadega, sh allpool loetletud mudelitega:
0601568103 GKS 65 ringketassaag 230 V / EU
0601568108 GKS 65 ringketassaag 230 V / OEU
0600700003 SHO 160 pinna-/paksushöövel 220 V / EU
0600700032 SHO 160 pinna-/paksushöövel 220 V / CH
0600700033 SHO 160 pinna-/paksushöövel 220 V / DK
0600700037 SHO 160 pinna-/paksushöövel 240 V / AUS
0600700042 SHO 160 pinna-/paksushöövel 240 V / GB
0600700048 SHO 160 pinna-/paksushöövel 220 V / F
0600700050 SHO 160 pinna-/paksushöövel 220 V / I
0600700060 SHO 160 pinna-/paksushöövel 220 V / D
0601567003 GKS 55 ringketassaag 220 V / EU
0601567031 GKS 55 kõvakettata ümmarguse sae 115 V / AFR
0601567032 GKS 55 ringketassaag 220 V / CH
0601567033 GKS 55 Un-Hd port. Ketassaag 220 V / SKA
0601567037 GKS 55 ringketassaag 240 V / AUS
0601567038 GKS 55 kõvakettata port. ringketassaag 100 V / J
0601567041 GKS 55 Un-Hd port. ringketassaag 110 V / GB
0601567042 GKS 55 Un-Hd port. ringketassaag 240 V / GB
0601567048 GKS 55 ringketassaag 220 V / F
0601567050 GKS 55 Un-Hd port. ringketassaag 220 V / I
0601567142 GKS 55 ringketassaag 240 V / GB
0601567150 GKS 55 ringketassaag 220 V / I
0601568003 GKS 65 ringketassaag 230 V / EU
0601568031 GKS 65 kõvakettata ümmarguse sae 115 V / AFR
0601568032 GKS 65 ringketassaag 220 V / CH
0601568033 GKS 65 Un-Hd port. Ketassaag 220 V / SKA
0601568037 GKS 65 ringketassaag 240 V / AUS
0601568038 GKS 65 Un-Hd port. ringketassaag 100 V / J
0601568041 GKS 65 Un-Hd port. ringketassaag 110 V / GB
0601568042 GKS 65 Un-Hd port. ringketassaag 240 V / GB
0601568031 GKS 65 kõvakettata ümmarguse sae 115 V / AFR
0601568032 GKS 65 ringketassaag 220 V / CH
0601568033 GKS 65 Un-Hd port. Ketassaag 220 V / SKA
0601568037 GKS 65 ringketassaag 240 V / AUS
0601568038 GKS 65 Un-Hd port. ringketassaag 100 V / J
0601568041 GKS 65 Un-Hd port. ringketassaag 110 V / GB
0601568042 GKS 65 Un-Hd port. ringketassaag 240 V / GB
0601568048 GKS 65 Un-Hd port. ringketassaag 220 V / F
0601568050 GKS 65 ilma kõvakettata ümmarguse sae 220 V / I
0601568131 GKS 65 ringketassaag 115 V / AFR
Kaubamärk: Bosch
SKU: 1600910019
EAN: 4059952004686
Uus originaalne Bosch 1600910019 otsikupesa
Otsiku pesa
Varuosa on sellel diagrammil kujutatud positsiooninumbri 48 all.
See osa ühildub paljude tööriistadega, sh allpool loetletud mudelitega:
0601568103 GKS 65 ringketassaag 230 V / EU
0601568108 GKS 65 ringketassaag 230 V / OEU
0600700003 SHO 160 pinna-/paksushöövel 220 V / EU
0600700032 SHO 160 pinna-/paksushöövel 220 V / CH
0600700033 SHO 160 pinna-/paksushöövel 220 V / DK
0600700037 SHO 160 pinna-/paksushöövel 240 V / AUS
0600700042 SHO 160 pinna-/paksushöövel 240 V / GB
0600700048 SHO 160 pinna-/paksushöövel 220 V / F
0600700050 SHO 160 pinna-/paksushöövel 220 V / I
0600700060 SHO 160 pinna-/paksushöövel 220 V / D
0601567003 GKS 55 ringketassaag 220 V / EU
0601567031 GKS 55 kõvakettata ümmarguse sae 115 V / AFR
0601567032 GKS 55 ringketassaag 220 V / CH
0601567033 GKS 55 Un-Hd port. Ketassaag 220 V / SKA
0601567037 GKS 55 ringketassaag 240 V / AUS
0601567038 GKS 55 kõvakettata port. ringketassaag 100 V / J
0601567041 GKS 55 Un-Hd port. ringketassaag 110 V / GB
0601567042 GKS 55 Un-Hd port. ringketassaag 240 V / GB
0601567048 GKS 55 ringketassaag 220 V / F
0601567050 GKS 55 Un-Hd port. ringketassaag 220 V / I
0601567142 GKS 55 ringketassaag 240 V / GB
0601567150 GKS 55 ringketassaag 220 V / I
0601568003 GKS 65 ringketassaag 230 V / EU
0601568031 GKS 65 kõvakettata ümmarguse sae 115 V / AFR
0601568032 GKS 65 ringketassaag 220 V / CH
0601568033 GKS 65 Un-Hd port. Ketassaag 220 V / SKA
0601568037 GKS 65 ringketassaag 240 V / AUS
0601568038 GKS 65 Un-Hd port. ringketassaag 100 V / J
0601568041 GKS 65 Un-Hd port. ringketassaag 110 V / GB
0601568042 GKS 65 Un-Hd port. ringketassaag 240 V / GB
0601568031 GKS 65 kõvakettata ümmarguse sae 115 V / AFR
0601568032 GKS 65 ringketassaag 220 V / CH
0601568033 GKS 65 Un-Hd port. Ketassaag 220 V / SKA
0601568037 GKS 65 ringketassaag 240 V / AUS
0601568038 GKS 65 Un-Hd port. ringketassaag 100 V / J
0601568041 GKS 65 Un-Hd port. ringketassaag 110 V / GB
0601568042 GKS 65 Un-Hd port. ringketassaag 240 V / GB
0601568048 GKS 65 Un-Hd port. ringketassaag 220 V / F
0601568050 GKS 65 ilma kõvakettata ümmarguse sae 220 V / I
0601568131 GKS 65 ringketassaag 115 V / AFR
Kaubamärk: Bosch
SKU: 1600910019
EAN: 4059952004686
Uus originaalne Bosch 1600910019 otsikupesa
- Tavaline hind
- €25,52
- Allahindlushind
- €25,52
- Tavaline hind
-
€2,00
Järeletulemise saadavust ei õnnestunud laadida
