Teave
Uus originaalne Bosch 1600590016 vedrujuht
Kevadjuhend
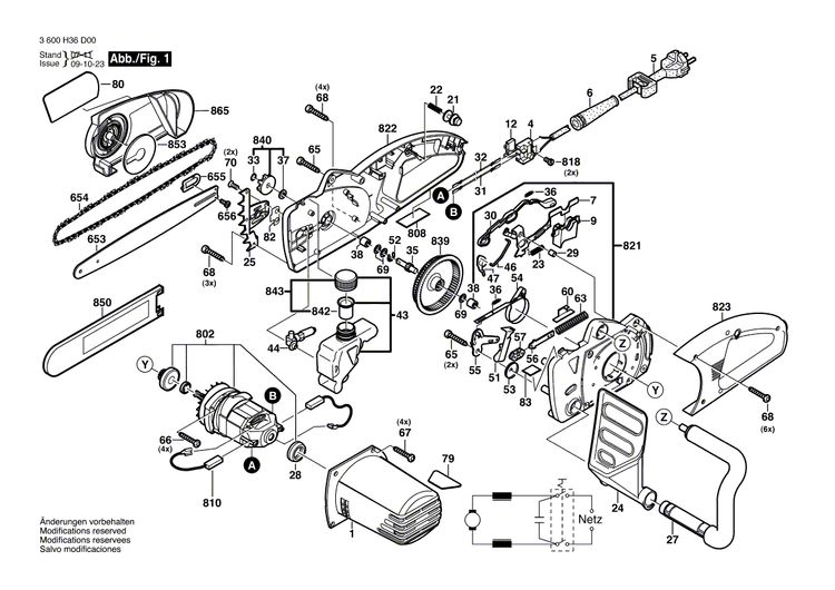
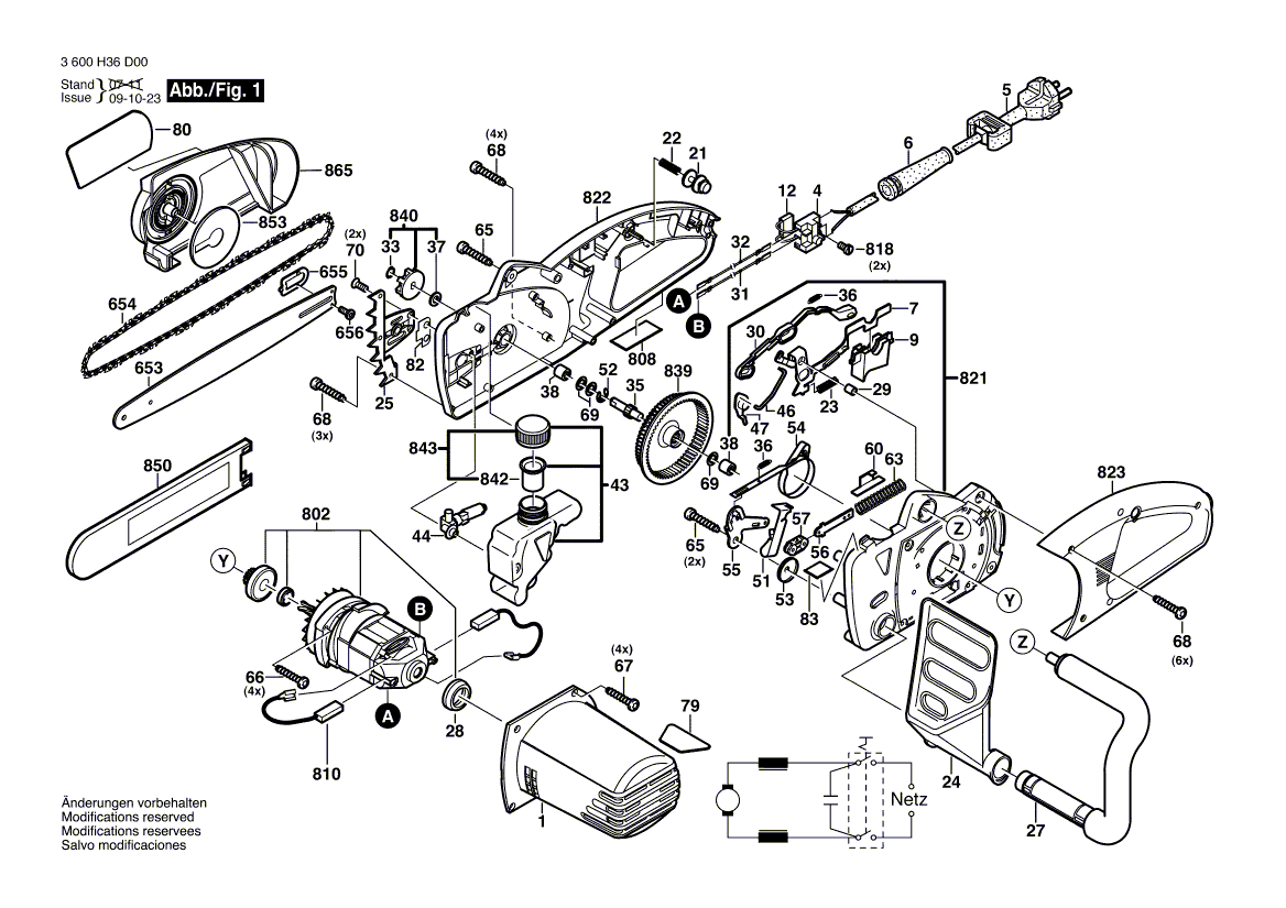
Varuosa on sellel diagrammil kujutatud positsiooninumbri 56 all.
See osa ühildub paljude tööriistadega, sh allpool loetletud mudelitega:
0600836703 AKE 35-19 kettsaag 230 V / EL
0600836732 AKE 35-19 kettsaag 230 V / CH
0600836742 AKE 35-19 kettsaag 230 V / GB
0600836803 AKE 40-19 kettsaag 230 V / EL
0600836832 AKE 40-19 kettsaag 230 V / CH
0600836842 AKE 40-19 kettsaag 230 V / GB
06008368A0 AKE 40-19 kettsaag 230 V / EU
06008368A1 AKE 40-19 kettsaag 230 V / CH
06008368A2 AKE 40-19 kettsaag 230 V / GB
0601597603 GKE 35 BCE kettsaag 230 V / EL
0601597608 GKE 35 BCE kettsaag 230 V / OEU
0601597632 GKE 35 BCE kettsaag 230 V / CH
06015976A0 GKE 35 BCE kettsaag 230 V / EL
06015976A1 GKE 35 BCE kettsaag 230 V / CH
0601597703 GKE 40 BCE kettsaag 230 V / EL
0601597708 GKE 40 BCE kettsaag 230 V / OEU
0601597732 GKE 40 BCE kettsaag 230 V / CH
06015977A0 GKE 40 BCE Kettsaag 230 V / EL
06015977A1 GKE 40 BCE kettsaag 230 V / CH
3600H36A00 AKE 30-18 S kettsaag 230 V / EU
3600H36A70 AKE 30-18 S kettsaag 230 V / GB
3600H36B00 AKE 35-18 S kettsaag 230 V / EU
3600H36B30 AKE 35-18 S kettsaag 230 V / CH
3600H36B70 AKE 35-18 S kettsaag 230 V / GB
3600H36C00 AKE 40-18 S kettsaag 230 V / EU
3600H36C30 AKE 40-18 S kettsaag 230 V / CH
3600H36C70 AKE 40-18 S kettsaag 230 V / GB
3600H36D00 AKE 30-19 S kettsaag 230 V / EU
3600H36E00 AKE 35-19 S kettsaag 230 V / EU
3600H36E01 AKE 35-19 S kettsaag 230 V / ---
3600H36E30 AKE 35-19 S kettsaag 230 V / CH
3600H36E31 AKE 35-19 S kettsaag 230 V / ---
3600H36E70 AKE 35-19 S kettsaag 230 V / GB
3600H36E71 AKE 35-19 S kettsaag 230 V / ---
3600H36E80 AKE 35-19 S kettsaag 220 V / CN
3600H36E81 AKE 35-19 S kettsaag 220 V / ---
3600H36F00 AKE 40-19 S kettsaag 230 V / ---
3600H36F01 AKE 40-19 S kettsaag 230 V / EU
3600H36F30 AKE 40-19 S kettsaag 230 V / CH
3600H36F31 AKE 40-19 S kettsaag 230 V / CH
Kaubamärk: Bosch
SKU: 1600590016
EAN: 4059952003214
Uus originaalne Bosch 1600590016 vedrujuht
Kevadjuhend
Varuosa on sellel diagrammil kujutatud positsiooninumbri 56 all.
See osa ühildub paljude tööriistadega, sh allpool loetletud mudelitega:
0600836703 AKE 35-19 kettsaag 230 V / EL
0600836732 AKE 35-19 kettsaag 230 V / CH
0600836742 AKE 35-19 kettsaag 230 V / GB
0600836803 AKE 40-19 kettsaag 230 V / EL
0600836832 AKE 40-19 kettsaag 230 V / CH
0600836842 AKE 40-19 kettsaag 230 V / GB
06008368A0 AKE 40-19 kettsaag 230 V / EU
06008368A1 AKE 40-19 kettsaag 230 V / CH
06008368A2 AKE 40-19 kettsaag 230 V / GB
0601597603 GKE 35 BCE kettsaag 230 V / EL
0601597608 GKE 35 BCE kettsaag 230 V / OEU
0601597632 GKE 35 BCE kettsaag 230 V / CH
06015976A0 GKE 35 BCE kettsaag 230 V / EL
06015976A1 GKE 35 BCE kettsaag 230 V / CH
0601597703 GKE 40 BCE kettsaag 230 V / EL
0601597708 GKE 40 BCE kettsaag 230 V / OEU
0601597732 GKE 40 BCE kettsaag 230 V / CH
06015977A0 GKE 40 BCE Kettsaag 230 V / EL
06015977A1 GKE 40 BCE kettsaag 230 V / CH
3600H36A00 AKE 30-18 S kettsaag 230 V / EU
3600H36A70 AKE 30-18 S kettsaag 230 V / GB
3600H36B00 AKE 35-18 S kettsaag 230 V / EU
3600H36B30 AKE 35-18 S kettsaag 230 V / CH
3600H36B70 AKE 35-18 S kettsaag 230 V / GB
3600H36C00 AKE 40-18 S kettsaag 230 V / EU
3600H36C30 AKE 40-18 S kettsaag 230 V / CH
3600H36C70 AKE 40-18 S kettsaag 230 V / GB
3600H36D00 AKE 30-19 S kettsaag 230 V / EU
3600H36E00 AKE 35-19 S kettsaag 230 V / EU
3600H36E01 AKE 35-19 S kettsaag 230 V / ---
3600H36E30 AKE 35-19 S kettsaag 230 V / CH
3600H36E31 AKE 35-19 S kettsaag 230 V / ---
3600H36E70 AKE 35-19 S kettsaag 230 V / GB
3600H36E71 AKE 35-19 S kettsaag 230 V / ---
3600H36E80 AKE 35-19 S kettsaag 220 V / CN
3600H36E81 AKE 35-19 S kettsaag 220 V / ---
3600H36F00 AKE 40-19 S kettsaag 230 V / ---
3600H36F01 AKE 40-19 S kettsaag 230 V / EU
3600H36F30 AKE 40-19 S kettsaag 230 V / CH
3600H36F31 AKE 40-19 S kettsaag 230 V / CH
Kaubamärk: Bosch
SKU: 1600590016
EAN: 4059952003214
Uus originaalne Bosch 1600590016 vedrujuht
- Tavaline hind
- €25,16
- Allahindlushind
- €25,16
- Tavaline hind
-
€1,67
Järeletulemise saadavust ei õnnestunud laadida
