Teave
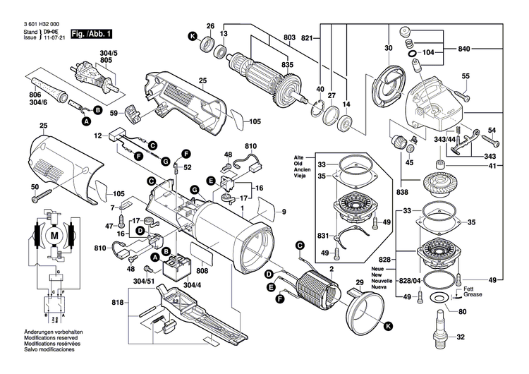
Uus originaal Bosch 1600508031 korpuse kate
Eluasemekate
Varuosa on sellel diagrammil kujutatud positsiooninumbri 25 all.
See osa ühildub paljude tööriistadega, sh allpool loetletud mudelitega:
0601710039 1710A Nurklihvija 120 V / USA
0601710139 1710 AD nurklihvija 120 V / USA
0601710239 1710 nurklihvija 120 V / USA
0601710439 1710 D Nurklihvija 120 V / USA
0601711039 1711 A Nurklihvija 120 V / USA
0601711139 1711 AD nurklihvija 120 V / USA
0601711239 1711 nurklihvija 120 V / USA
0601711439 1711D nurklihvija 120 V / USA
3601B25000 GGS 28 LP sirgelihvijad 230 V / EL
3601B25010 DG300LPD sirgelihvijad 120 V / USA
0601711239 1711 nurklihvija 120 V / USA
0601711439 1711D nurklihvija 120 V / USA
3601H31000 GWS 8-115 Z nurklihvija 230 V / EL
3601H310Z0 GWS 8-115 Z nurklihvija 115 V / SMA
3601H310Z1 GWS 8-115 Z nurklihvija 115 V / SGP
3601H31210 1810 PSD nurklihvija 120 V / USA
3601H31500 GWS 8-115 Z nurklihvija 230 V / CN
3601H315E0 GWS 8-115 P nurklihvija 220 V / CH
3601H315G0 GWS 8-115 P nurklihvija 127 V / MEX
3601H315G1 GWS 8-115 P - 5/8" nurklihvija 127 V / MEX
3601H315H0 GWS 8-115 P nurklihvija 220 V / AR
3601H315K0 GWS 8-100 Z nurklihvija 230 V / ASI
3601H315L0 GWS 8-100 Z nurklihvija 240 V / MAL
3601H315P0 GWS 8-100 Z nurklihvija 230 V / SA
3601H315P1 GWS 8-115 Z nurklihvija 230 V / SA
3601H315Z0 GWS 8-100 Z nurklihvija 110 V / SGP
3601H315Z1 GWS 8-100 Z nurklihvija 110 V / SA
3601H315Z2 GWS 8-115 Z nurklihvija 110 V / SA
3601H31A10 1810 PS nurklihvija 120 V / USA
3601H32000 GWS 10-125 Z nurklihvija 230 V / EL
3601H32040 GWS 10-125 Z nurklihvija 240 V / AUS
3601H32210 1811 PSD nurklihvija 120 V / USA
3601H32A10 1811 PS nurklihvija 120 V / USA
3601H33210 1812 PSD nurklihvija 120 V / USA
Kaubamärk: Bosch
SKU: 1600508031
EAN: 4059952003115
Uus originaal Bosch 1600508031 korpuse kate
Eluasemekate
Varuosa on sellel diagrammil kujutatud positsiooninumbri 25 all.
See osa ühildub paljude tööriistadega, sh allpool loetletud mudelitega:
0601710039 1710A Nurklihvija 120 V / USA
0601710139 1710 AD nurklihvija 120 V / USA
0601710239 1710 nurklihvija 120 V / USA
0601710439 1710 D Nurklihvija 120 V / USA
0601711039 1711 A Nurklihvija 120 V / USA
0601711139 1711 AD nurklihvija 120 V / USA
0601711239 1711 nurklihvija 120 V / USA
0601711439 1711D nurklihvija 120 V / USA
3601B25000 GGS 28 LP sirgelihvijad 230 V / EL
3601B25010 DG300LPD sirgelihvijad 120 V / USA
0601711239 1711 nurklihvija 120 V / USA
0601711439 1711D nurklihvija 120 V / USA
3601H31000 GWS 8-115 Z nurklihvija 230 V / EL
3601H310Z0 GWS 8-115 Z nurklihvija 115 V / SMA
3601H310Z1 GWS 8-115 Z nurklihvija 115 V / SGP
3601H31210 1810 PSD nurklihvija 120 V / USA
3601H31500 GWS 8-115 Z nurklihvija 230 V / CN
3601H315E0 GWS 8-115 P nurklihvija 220 V / CH
3601H315G0 GWS 8-115 P nurklihvija 127 V / MEX
3601H315G1 GWS 8-115 P - 5/8" nurklihvija 127 V / MEX
3601H315H0 GWS 8-115 P nurklihvija 220 V / AR
3601H315K0 GWS 8-100 Z nurklihvija 230 V / ASI
3601H315L0 GWS 8-100 Z nurklihvija 240 V / MAL
3601H315P0 GWS 8-100 Z nurklihvija 230 V / SA
3601H315P1 GWS 8-115 Z nurklihvija 230 V / SA
3601H315Z0 GWS 8-100 Z nurklihvija 110 V / SGP
3601H315Z1 GWS 8-100 Z nurklihvija 110 V / SA
3601H315Z2 GWS 8-115 Z nurklihvija 110 V / SA
3601H31A10 1810 PS nurklihvija 120 V / USA
3601H32000 GWS 10-125 Z nurklihvija 230 V / EL
3601H32040 GWS 10-125 Z nurklihvija 240 V / AUS
3601H32210 1811 PSD nurklihvija 120 V / USA
3601H32A10 1811 PS nurklihvija 120 V / USA
3601H33210 1812 PSD nurklihvija 120 V / USA
Kaubamärk: Bosch
SKU: 1600508031
EAN: 4059952003115
Uus originaal Bosch 1600508031 korpuse kate
- Tavaline hind
- €33,22
- Allahindlushind
- €33,22
- Tavaline hind
-
€9,01
Järeletulemise saadavust ei õnnestunud laadida
