About
Characteristics
New Genuine Bosch 60829428EJ Label
Label
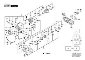
The spare part is represented in this diagram at position number 349
This part is compatible with many tools including the models listed below:
3601M13510 GTS1041A Table Saw 120 V / USA
Brand: Bosch
SKU: 60829428EJ
EAN: 4059952456263
Characteristics
New Genuine Bosch 60829428EJ Label
Label
The spare part is represented in this diagram at position number 349
This part is compatible with many tools including the models listed below:
3601M13510 GTS1041A Table Saw 120 V / USA
Brand: Bosch
SKU: 60829428EJ
EAN: 4059952456263
New Genuine Bosch 60829428EJ Label
- Regular price
- $30.00
- Sale price
- $30.00
- Regular price
-
$6.00
Tax included.
Couldn't load pickup availability
