About
Characteristics
New Genuine Bosch 160111A635 Nameplate
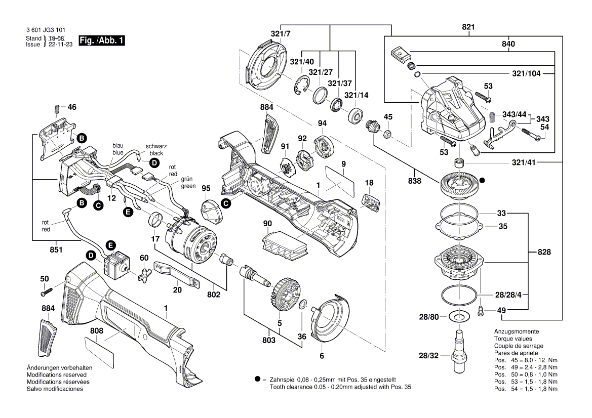
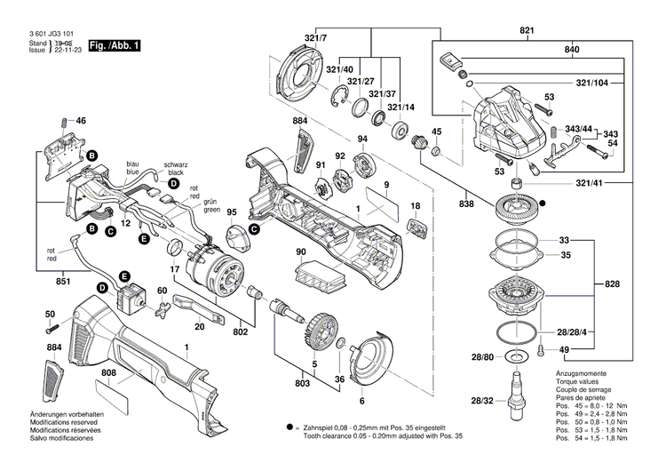
Nameplate
The spare part is represented in this diagram at position number 808
This part is compatible with many tools including the models listed below:
3601JG31D1 GWS 18V-10 C Cordless Angle Grinder 18 V / LAM
Brand: Bosch
SKU: 160111A635
EAN: 3165140973915
Characteristics
New Genuine Bosch 160111A635 Nameplate
Nameplate
The spare part is represented in this diagram at position number 808
This part is compatible with many tools including the models listed below:
3601JG31D1 GWS 18V-10 C Cordless Angle Grinder 18 V / LAM
Brand: Bosch
SKU: 160111A635
EAN: 3165140973915
New Genuine Bosch 160111A635 Nameplate
- Regular price
- $25.00
- Sale price
- $25.00
- Regular price
-
$2.00
Tax included.
Couldn't load pickup availability
