About
Characteristics
New Genuine Bosch 160111A630 Nameplate
Nameplate
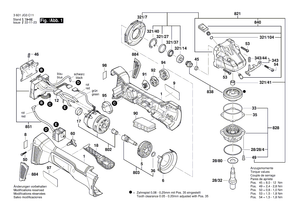
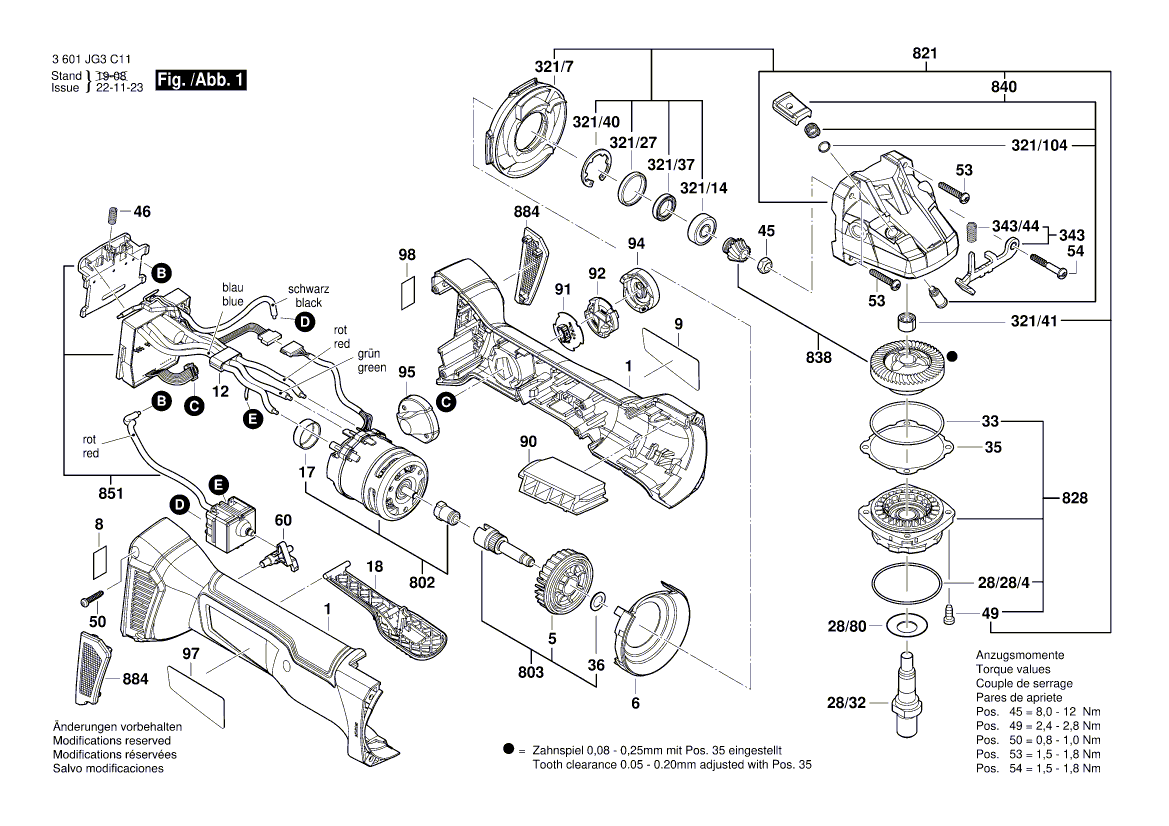
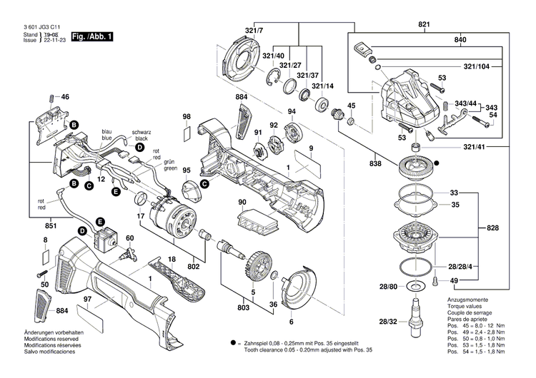
The spare part is represented in this diagram at position number 8
This part is compatible with many tools including the models listed below:
3601JG3C11 GWS18V-45PC Cordless Angle Grinder 18 V / USA
Brand: Bosch
SKU: 160111A630
EAN: 3165140975216
Characteristics
New Genuine Bosch 160111A630 Nameplate
Nameplate
The spare part is represented in this diagram at position number 8
This part is compatible with many tools including the models listed below:
3601JG3C11 GWS18V-45PC Cordless Angle Grinder 18 V / USA
Brand: Bosch
SKU: 160111A630
EAN: 3165140975216
New Genuine Bosch 160111A630 Nameplate
- Regular price
- $25.00
- Sale price
- $25.00
- Regular price
-
$2.00
Tax included.
Couldn't load pickup availability
