About
Characteristics
New Genuine Bosch 160111A2TU Nameplate
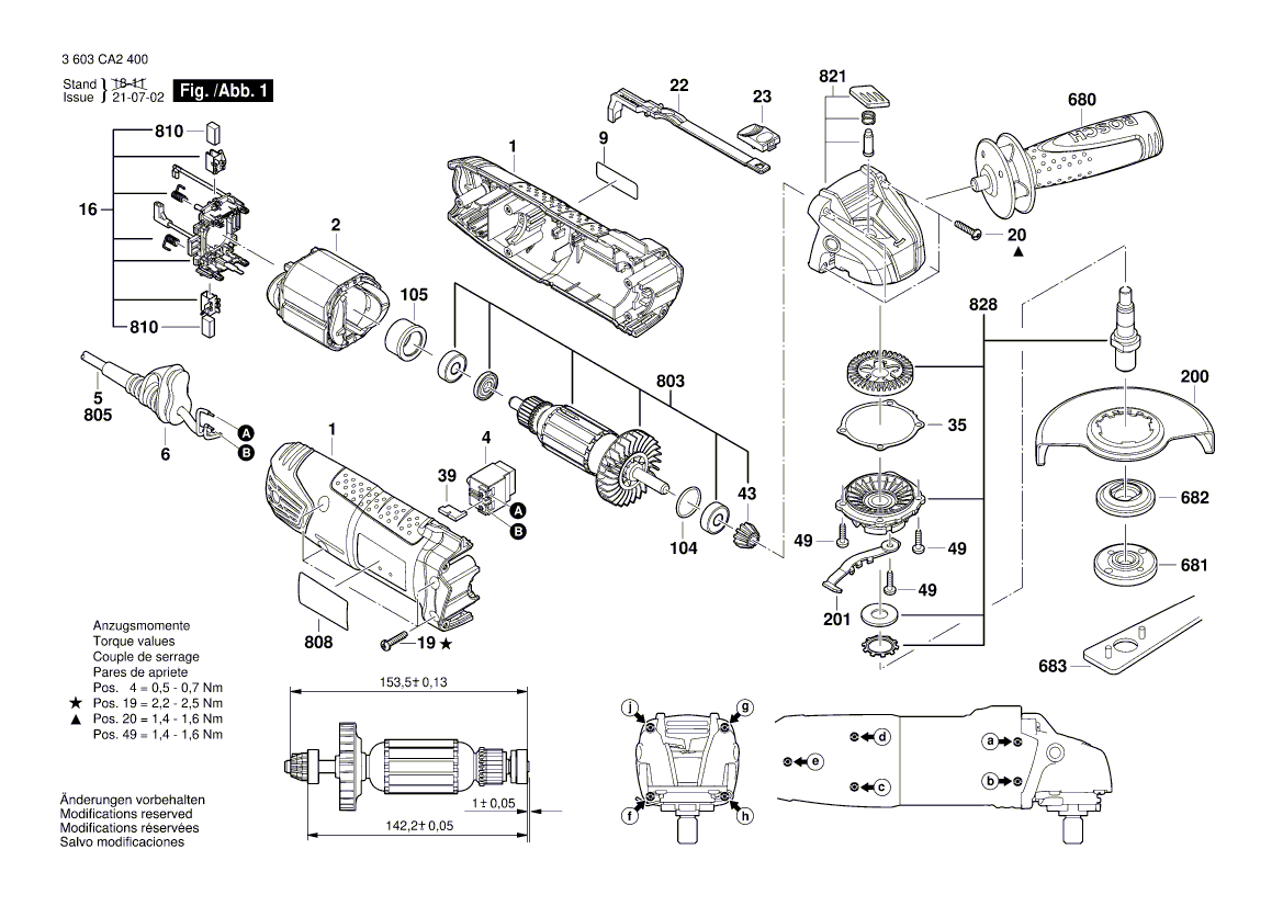
Nameplate
The spare part is represented in this diagram at position number 808
This part is compatible with many tools including the models listed below:
3603CA2791 PWS 850-125 Angle Grinder 230 V / SMA
Brand: Bosch
SKU: 160111A2TU
EAN: 4053423213744
Characteristics
New Genuine Bosch 160111A2TU Nameplate
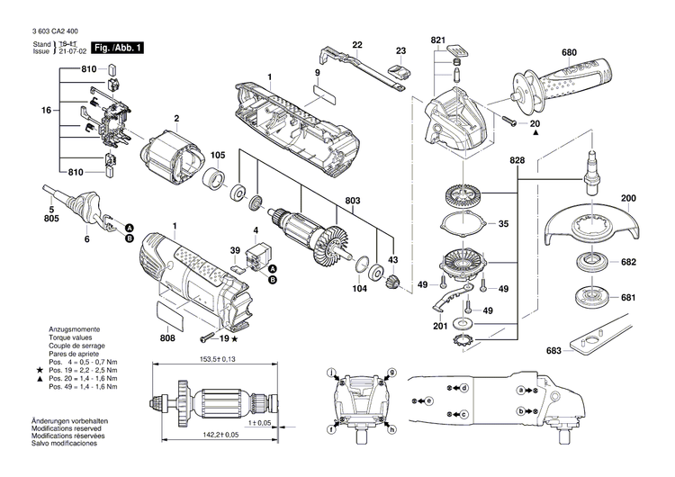
Nameplate
The spare part is represented in this diagram at position number 808
This part is compatible with many tools including the models listed below:
3603CA2791 PWS 850-125 Angle Grinder 230 V / SMA
Brand: Bosch
SKU: 160111A2TU
EAN: 4053423213744
New Genuine Bosch 160111A2TU Nameplate
- Regular price
- $25.00
- Sale price
- $25.00
- Regular price
-
$2.00
Tax included.
Couldn't load pickup availability
