About
Characteristics
New Genuine Bosch 160111A2SC Nameplate
Nameplate
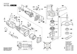
The spare part is represented in this diagram at position number 808
This part is compatible with many tools including the models listed below:
3603CA2031 PWS 700-115 Angle Grinder 230 V / CH
Brand: Bosch
SKU: 160111A2SC
EAN: 4053423213850
Characteristics
New Genuine Bosch 160111A2SC Nameplate
Nameplate
The spare part is represented in this diagram at position number 808
This part is compatible with many tools including the models listed below:
3603CA2031 PWS 700-115 Angle Grinder 230 V / CH
Brand: Bosch
SKU: 160111A2SC
EAN: 4053423213850
New Genuine Bosch 160111A2SC Nameplate
- Regular price
- $25.00
- Sale price
- $25.00
- Regular price
-
$2.00
Tax included.
Couldn't load pickup availability
