About
Characteristics
New Genuine Bosch 160111A20W Nameplate
Nameplate
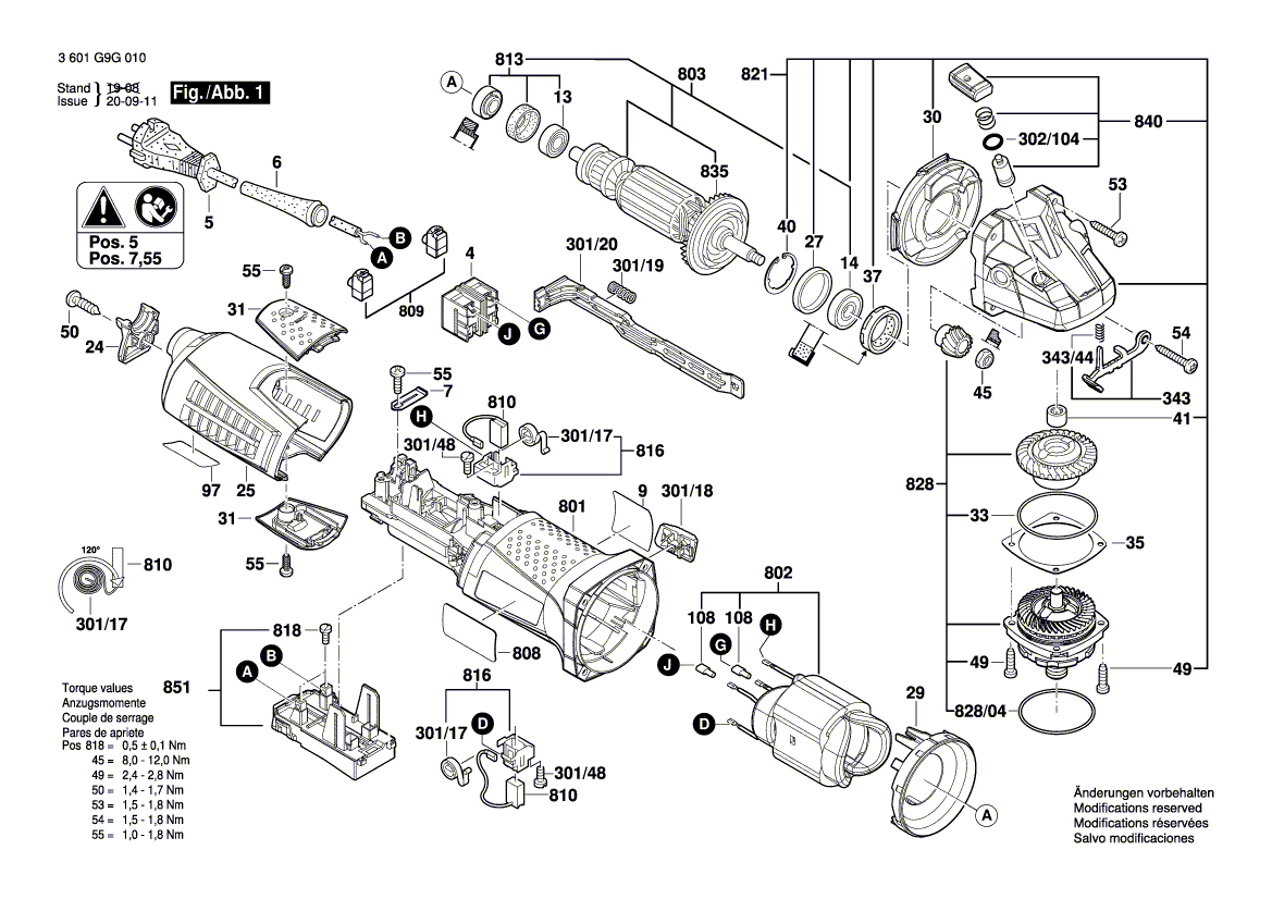
The spare part is represented in this diagram at position number 808
This part is compatible with many tools including the models listed below:
3601G9G010 GWS 13-50 Angle Grinder 120 V / USA
Brand: Bosch
SKU: 160111A20W
EAN: 4059952027791
Characteristics
New Genuine Bosch 160111A20W Nameplate
Nameplate
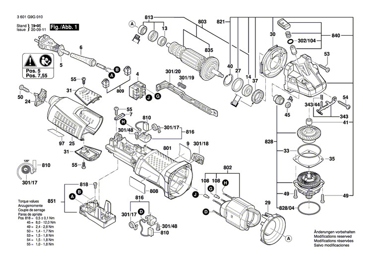
The spare part is represented in this diagram at position number 808
This part is compatible with many tools including the models listed below:
3601G9G010 GWS 13-50 Angle Grinder 120 V / USA
Brand: Bosch
SKU: 160111A20W
EAN: 4059952027791
New Genuine Bosch 160111A20W Nameplate
- Regular price
- $25.00
- Sale price
- $25.00
- Regular price
-
$2.00
Tax included.
Couldn't load pickup availability
