About
New Genuine Bosch 1601118N92 Manufacturer's nameplate
Manufacturer's nameplate
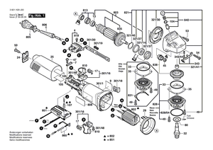
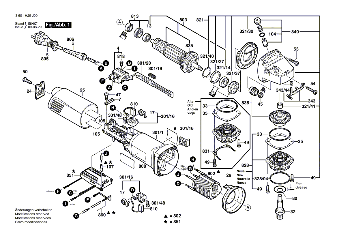
The spare part is represented in this diagram at position number 9
This part is compatible with many tools including the models listed below:
3601H29J00 GWS 14-125 INOX Angle Grinder 230 V / EU
3601H29J40 GWS 14-125 INOX Angle Grinder 240 V / ---
3601H29JE0 GWS 14-125 INOX Angle Grinder 220 V / BR
Brand: Bosch
SKU: 1601118N92
EAN: 4059952025643
New Genuine Bosch 1601118N92 Manufacturer's nameplate
Manufacturer's nameplate
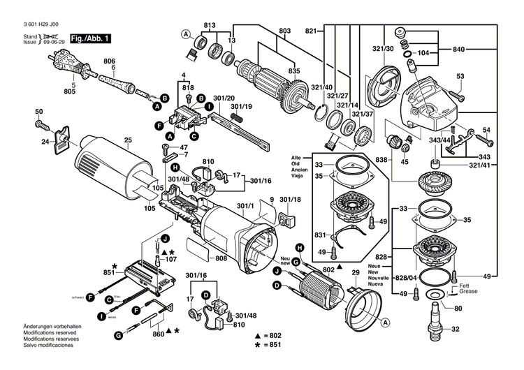
The spare part is represented in this diagram at position number 9
This part is compatible with many tools including the models listed below:
3601H29J00 GWS 14-125 INOX Angle Grinder 230 V / EU
3601H29J40 GWS 14-125 INOX Angle Grinder 240 V / ---
3601H29JE0 GWS 14-125 INOX Angle Grinder 220 V / BR
Brand: Bosch
SKU: 1601118N92
EAN: 4059952025643
New Genuine Bosch 1601118N92 Manufacturer's nameplate
- Regular price
- $24.00
- Sale price
- $24.00
- Regular price
-
$1.00
Couldn't load pickup availability
