About
Characteristics
New Genuine Bosch 1601118K49 Nameplate
Nameplate
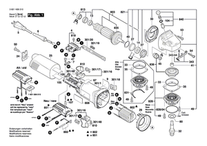
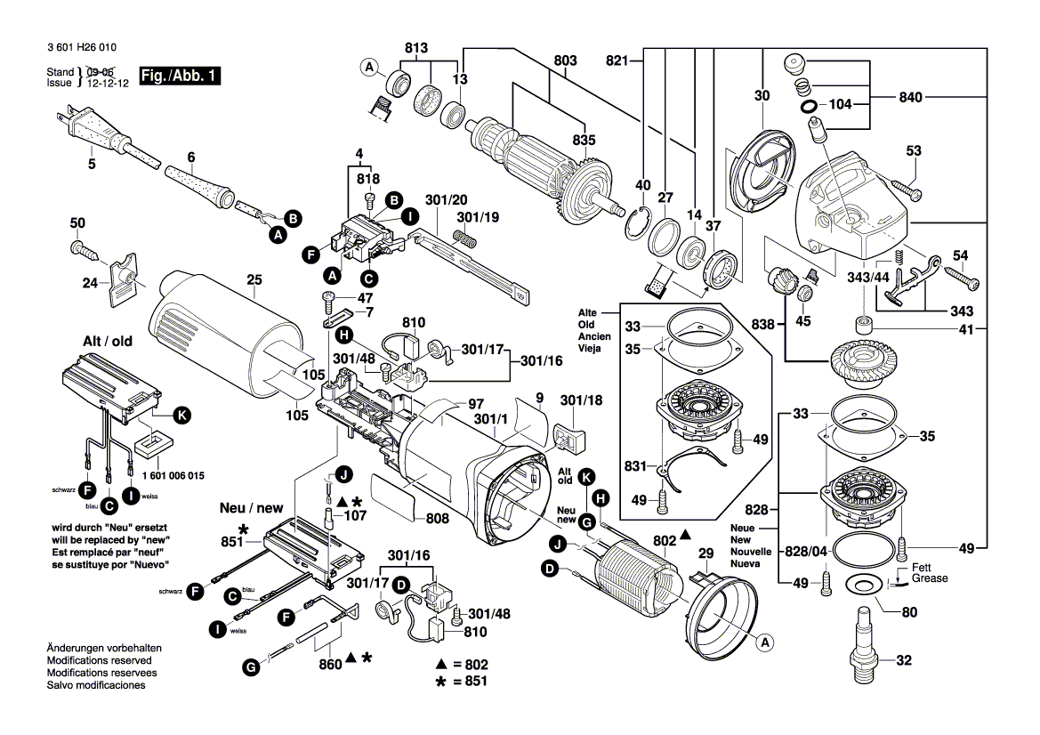
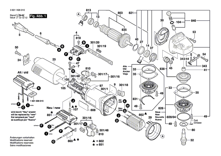
The spare part is represented in this diagram at position number 808
This part is compatible with many tools including the models listed below:
3601H26010 1806 E Angle Grinder 120 V / USA
Brand: Bosch
SKU: 1601118K49
EAN: 4059952024844
Characteristics
New Genuine Bosch 1601118K49 Nameplate
Nameplate
The spare part is represented in this diagram at position number 808
This part is compatible with many tools including the models listed below:
3601H26010 1806 E Angle Grinder 120 V / USA
Brand: Bosch
SKU: 1601118K49
EAN: 4059952024844
New Genuine Bosch 1601118K49 Nameplate
- Regular price
- $25.00
- Sale price
- $25.00
- Regular price
-
$2.00
Tax included.
Couldn't load pickup availability
