Über
Neues echtes Bosch 2604448147 Anschlusskabel
Anschlusskabel
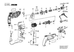
Der Ersatzteil ist in diesem Diagramm an der Position Nummer 42 dargestellt
Dieser Teil ist mit vielen Tools kompatibel, einschließlich der unten aufgeführten Modelle:
0603167745 CSB 500 Reperkussion Drill 115 V / CDN
0601139535 B 6050 Drill 120 V / USA
0601140764 GSB 16 Re Percussion Drill 240 V / AUS
0601141635 B 6600 Percussion Drill 120 V / USA
0601141639 1141 VSR Percussion Drill 120 V / USA
0601142777 GSB 16 Re Percussion Drill 127 v / sam
0601142778 GSB 16 Reperkussion Drill 220 V / Br
0601135535 B 6050 Drill 120 V / USA
0601147577 GSB 16 re Un. 2-Gang-Bohrer 127 v / sam
0601147578 GSB 16 re Un. 2-Gang-Bohrer 220 V / ASI
0601147577 GSB 16 re Un. 2-Gang-Bohrer 127 v / sam
0601147578 GSB 16 re Un. 2-Gang-Bohrer 220 V / ASI
0601147579 GSB 16 re Un. 2-Gang-Bohrer 220 V / AR
0601147912 GSB 16 re Un. 2-Gang-Bohrer 127 v / sam
0601147977 GSB 16 re Un. 2-Gang-Bohrer 127 v / sam
0601147978 GSB 16 re Un. 2-Gang-Bohrer 220 V / Br
0601147979 GSB 16 re Un. 2-Gang-Bohrer 220 V / AR
0601137534 GBM 10 SRE Drill 115 V / Sam
0601137537 GBM 10 SRE Drill 240 V / AUS
0601137539 GBM 10 SRE Drill 115 V / USA
0603161842 CSB 650-2 RET Percussion Drill 240 V / GB
0603161850 CSB 650-2 RET Percussion Drill 230 V / i
0603161870 CSB 650-2 RE-Percussion-Bohrer 230 V / EU
0603161871 CSB 650-2 RE-Percussion-Bohrer 230 V / CH
0603167850 CSB 500 RET Percussion Drill 230 V / i
0603168703 CSB 620 IP Percussion Drill 230 V / EU
0603168732 CSB 620 IP Percussion Drill 230 V / CH
0603168737 CSB 620 IP Percussion Drill 240 V / AUS
0603168742 CSB 620 IP Percussion Drill 240 V / GB
0603168750 CSB 620 IP Percussion Drill 230 V / i
0603169578 PSB 550 re Un. 2-Gang-Bohrer 220 V / Br
0603169579 PSB 550 re Un. 2-Gang-Bohrer 220 V / AR
0603169912 PSB 550-re Un. 2-Gang-Bohrer 127 v / sam
0603161630 CSB 650-2 RE-Percussion-Bohrer 230 V / AFR
0603161637 CSB 650-2 Reperkussion Bohrer 240 V / AUS
0603246430 PSB 42 RE Combi 1-SPD Electr. Bohrer 230 V / AFR
0603246431 PSB 42 RE Combi 1-SPD Electr. Bohrer 115 v / afr
0603246437 PSB 42 RE Combi 1-SPD Electr. Bohrer 240 V / Aus
0603246473 PSB 420 RE Combi 1-SPD Electr. Bohrer 240 V / Aus
0603246637 PSB 400 Ret Combi-Zwei-Gang-Bohrer P 240 V / AUS
Marke: Bosch
SKU: 2604448147
EAN: 4059952248974
Neues echtes Bosch 2604448147 Anschlusskabel
Anschlusskabel
Der Ersatzteil ist in diesem Diagramm an der Position Nummer 42 dargestellt
Dieser Teil ist mit vielen Tools kompatibel, einschließlich der unten aufgeführten Modelle:
0603167745 CSB 500 Reperkussion Drill 115 V / CDN
0601139535 B 6050 Drill 120 V / USA
0601140764 GSB 16 Re Percussion Drill 240 V / AUS
0601141635 B 6600 Percussion Drill 120 V / USA
0601141639 1141 VSR Percussion Drill 120 V / USA
0601142777 GSB 16 Re Percussion Drill 127 v / sam
0601142778 GSB 16 Reperkussion Drill 220 V / Br
0601135535 B 6050 Drill 120 V / USA
0601147577 GSB 16 re Un. 2-Gang-Bohrer 127 v / sam
0601147578 GSB 16 re Un. 2-Gang-Bohrer 220 V / ASI
0601147577 GSB 16 re Un. 2-Gang-Bohrer 127 v / sam
0601147578 GSB 16 re Un. 2-Gang-Bohrer 220 V / ASI
0601147579 GSB 16 re Un. 2-Gang-Bohrer 220 V / AR
0601147912 GSB 16 re Un. 2-Gang-Bohrer 127 v / sam
0601147977 GSB 16 re Un. 2-Gang-Bohrer 127 v / sam
0601147978 GSB 16 re Un. 2-Gang-Bohrer 220 V / Br
0601147979 GSB 16 re Un. 2-Gang-Bohrer 220 V / AR
0601137534 GBM 10 SRE Drill 115 V / Sam
0601137537 GBM 10 SRE Drill 240 V / AUS
0601137539 GBM 10 SRE Drill 115 V / USA
0603161842 CSB 650-2 RET Percussion Drill 240 V / GB
0603161850 CSB 650-2 RET Percussion Drill 230 V / i
0603161870 CSB 650-2 RE-Percussion-Bohrer 230 V / EU
0603161871 CSB 650-2 RE-Percussion-Bohrer 230 V / CH
0603167850 CSB 500 RET Percussion Drill 230 V / i
0603168703 CSB 620 IP Percussion Drill 230 V / EU
0603168732 CSB 620 IP Percussion Drill 230 V / CH
0603168737 CSB 620 IP Percussion Drill 240 V / AUS
0603168742 CSB 620 IP Percussion Drill 240 V / GB
0603168750 CSB 620 IP Percussion Drill 230 V / i
0603169578 PSB 550 re Un. 2-Gang-Bohrer 220 V / Br
0603169579 PSB 550 re Un. 2-Gang-Bohrer 220 V / AR
0603169912 PSB 550-re Un. 2-Gang-Bohrer 127 v / sam
0603161630 CSB 650-2 RE-Percussion-Bohrer 230 V / AFR
0603161637 CSB 650-2 Reperkussion Bohrer 240 V / AUS
0603246430 PSB 42 RE Combi 1-SPD Electr. Bohrer 230 V / AFR
0603246431 PSB 42 RE Combi 1-SPD Electr. Bohrer 115 v / afr
0603246437 PSB 42 RE Combi 1-SPD Electr. Bohrer 240 V / Aus
0603246473 PSB 420 RE Combi 1-SPD Electr. Bohrer 240 V / Aus
0603246637 PSB 400 Ret Combi-Zwei-Gang-Bohrer P 240 V / AUS
Marke: Bosch
SKU: 2604448147
EAN: 4059952248974
Neues echtes Bosch 2604448147 Anschlusskabel
- Regulärer Preis
- $24.00
- Verkaufspreis
- $24.00
- Regulärer Preis
-
$1.00
Abholverfügbarkeit konnte nicht geladen werden
