Über
Neues echtes Bosch 2604448100 Anschlusskabel
Anschlusskabel
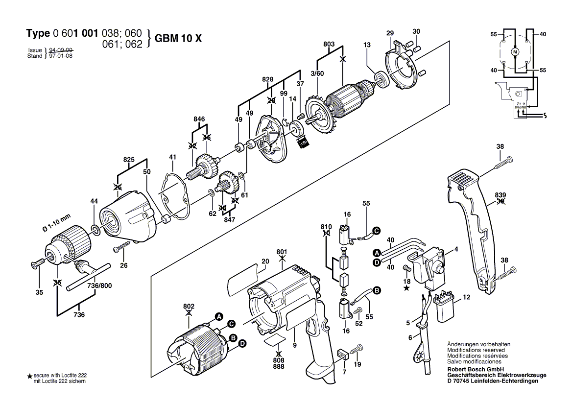
Der Ersatzteil ist in diesem Diagramm an der Position Nummer 55 dargestellt
Dieser Teil ist mit vielen Tools kompatibel, einschließlich der unten aufgeführten Modelle:
06011690x0 GBM 13-2 UN. 2-Gang-Bohrer 230 v / ind
0601169503 GBM 13-2 RE Drill 230 V / EU
0601169508 GBM 13-2 RE Drill 230 V / OEU
0601404734 1404 VSR Schraubendreher 115 V / sAM
0601404735 B 6950 Pn -Screwdriver - Ind. 115 V / USA
0601404739 1404 VSR Schraubendreher 115 V / USA
0601404745 1404 VSR Pn -ScrewDriver - Ind. 115 V / CDN
0601404760 1404 VSRL Schraubendreher 115 V / USA
0601405734 1405 VSR UN-HD-Schraubendreher 115 V / USA
0601405735 B 6980 UN-HD-Schraubendreher 115 V / USA
0601405739 1405 VSR UN-HD-Schraubendreher 115 V / USA
0601405745 1405 VSR UN-HD-Schraubendreher 115 V / CDN
0601462734 1462 gegen Gewindeschneider 115 V / sAM
0601462737 Elektronischer Gewindeschneider 240 V / AUS
0601462738 Elektronischer Gewindeschneider 100 V / J.
0601462834 GGW 10 E Gewindeschneider 115 V / sAM
0601462837 GGW 10 E Gewindeschneider 240 V / Aus
0601462838 GGW 10 E Gewindeschneider 100 V / J.
0601462839 1462 gegen Fadenschneider 115 V / USA
0601462860 GGW 10 E Gewindeschneider 100 V / J.
0601000038 GBM 6 x Universelle Ein-Gang-Bohrer 100 V / J.
0601000060 GBM 6 x Universelle Ein-Gang-Bohrer 115 V / RC
0601000061 GBM 6 x Universelle Ein-Gang-Bohrer 230 V / HK
0601000062 GBM 6 x Universelle Ein-Gang-Bohrer 230 V / SGP
0601000703 1000 VSR Drill 230 V / USA
0601000734 1000 VSR Drill 120 V / USA
0601000738 GBM 6 Rex Drill 100 V / J.
0601000739 1000 VSR Drill 120 V / USA
0601000745 1000 VSR Drill 120 V / CDN
0601001038 GBM 10 x Bohrer 100 V / J.
0601001060 GBM 10 x Universelle Ein-Gang-Bohrer 115 V / RC
0601001061 GBM 10 x Universelle Ein-Gang-Bohrer 230 V / HK
0601001062 GBM 10 x Bohrer 230 V / SGP
0601001734 1001 VSR Drill 120 V / USA
0601001735 B6100 Drill 120 V / USA
0601001738 GBM 10 Rex Drill 100 V / J.
0601001739 1001 VSR Drill 120 V / USA
0601001745 1001 VSR Drill 120 V / CDN
0601002734 1002 VSR Drill 120 V / USA
0601002739 1002 VSR Drill 120 V / USA
Marke: Bosch
SKU: 2604448100
EAN: 4059952248820
Neues echtes Bosch 2604448100 Anschlusskabel
Anschlusskabel
Der Ersatzteil ist in diesem Diagramm an der Position Nummer 55 dargestellt
Dieser Teil ist mit vielen Tools kompatibel, einschließlich der unten aufgeführten Modelle:
06011690x0 GBM 13-2 UN. 2-Gang-Bohrer 230 v / ind
0601169503 GBM 13-2 RE Drill 230 V / EU
0601169508 GBM 13-2 RE Drill 230 V / OEU
0601404734 1404 VSR Schraubendreher 115 V / sAM
0601404735 B 6950 Pn -Screwdriver - Ind. 115 V / USA
0601404739 1404 VSR Schraubendreher 115 V / USA
0601404745 1404 VSR Pn -ScrewDriver - Ind. 115 V / CDN
0601404760 1404 VSRL Schraubendreher 115 V / USA
0601405734 1405 VSR UN-HD-Schraubendreher 115 V / USA
0601405735 B 6980 UN-HD-Schraubendreher 115 V / USA
0601405739 1405 VSR UN-HD-Schraubendreher 115 V / USA
0601405745 1405 VSR UN-HD-Schraubendreher 115 V / CDN
0601462734 1462 gegen Gewindeschneider 115 V / sAM
0601462737 Elektronischer Gewindeschneider 240 V / AUS
0601462738 Elektronischer Gewindeschneider 100 V / J.
0601462834 GGW 10 E Gewindeschneider 115 V / sAM
0601462837 GGW 10 E Gewindeschneider 240 V / Aus
0601462838 GGW 10 E Gewindeschneider 100 V / J.
0601462839 1462 gegen Fadenschneider 115 V / USA
0601462860 GGW 10 E Gewindeschneider 100 V / J.
0601000038 GBM 6 x Universelle Ein-Gang-Bohrer 100 V / J.
0601000060 GBM 6 x Universelle Ein-Gang-Bohrer 115 V / RC
0601000061 GBM 6 x Universelle Ein-Gang-Bohrer 230 V / HK
0601000062 GBM 6 x Universelle Ein-Gang-Bohrer 230 V / SGP
0601000703 1000 VSR Drill 230 V / USA
0601000734 1000 VSR Drill 120 V / USA
0601000738 GBM 6 Rex Drill 100 V / J.
0601000739 1000 VSR Drill 120 V / USA
0601000745 1000 VSR Drill 120 V / CDN
0601001038 GBM 10 x Bohrer 100 V / J.
0601001060 GBM 10 x Universelle Ein-Gang-Bohrer 115 V / RC
0601001061 GBM 10 x Universelle Ein-Gang-Bohrer 230 V / HK
0601001062 GBM 10 x Bohrer 230 V / SGP
0601001734 1001 VSR Drill 120 V / USA
0601001735 B6100 Drill 120 V / USA
0601001738 GBM 10 Rex Drill 100 V / J.
0601001739 1001 VSR Drill 120 V / USA
0601001745 1001 VSR Drill 120 V / CDN
0601002734 1002 VSR Drill 120 V / USA
0601002739 1002 VSR Drill 120 V / USA
Marke: Bosch
SKU: 2604448100
EAN: 4059952248820
Neues echtes Bosch 2604448100 Anschlusskabel
- Regulärer Preis
- $24.00
- Verkaufspreis
- $24.00
- Regulärer Preis
-
$1.00
Abholverfügbarkeit konnte nicht geladen werden
