Über
Neues echtes Bosch 2604220563 Feld
Feld
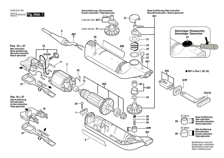
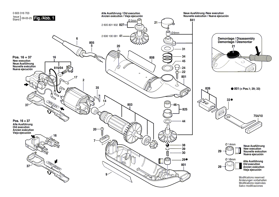
Der Ersatzteil ist in diesem Diagramm an der Position Nummer 2 dargestellt
Dieser Teil ist mit vielen Tools kompatibel, einschließlich der unten aufgeführten Modelle:
0603316738 PSE 180 E Elektrischer Schaber 100 V / J.
3603C16738 PSE 180 E Elektrischer Schaber 100 V / J.
Marke: Bosch
SKU: 2604220563
EAN: 4059952247229
Neues echtes Bosch 2604220563 Feld
Feld
Der Ersatzteil ist in diesem Diagramm an der Position Nummer 2 dargestellt
Dieser Teil ist mit vielen Tools kompatibel, einschließlich der unten aufgeführten Modelle:
0603316738 PSE 180 E Elektrischer Schaber 100 V / J.
3603C16738 PSE 180 E Elektrischer Schaber 100 V / J.
Marke: Bosch
SKU: 2604220563
EAN: 4059952247229
Neues echtes Bosch 2604220563 Feld
- Regulärer Preis
- $45.00
- Verkaufspreis
- $45.00
- Regulärer Preis
-
$21.00
Abholverfügbarkeit konnte nicht geladen werden
