Über
Neues echtes Bosch 2604220462 Feld
Feld
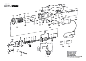
Der Ersatzteil ist in diesem Diagramm an der Position Nummer 102 dargestellt
Dieser Teil ist mit vielen Tools kompatibel, einschließlich der unten aufgeführten Modelle:
0601411737 elektronischer Schraubendreher 240 V / AUS
0601411742 Elektronischer Schraubendreher 240 V / GB
0601530106 GNA 2,0 Nibbler 240 V / Mal
0601210006 ggs 27 Straight Mahlen 240 V / Mal
0601126037 ---- Drill 240 V / Aus
0601126042 ---- Drill 240 V / GB
0601126737 ---- Drill 240 V / AUS
0601126742 ---- Drill 240 V / GB
0601127037 ---- Drill 240 V / Aus
0601127042 ---- Drill 240 V / GB
0601159737 Elektronischer R / L -Bohrer 240 V / AUS
0601159742 elektronischer R / L -Bohrer 240 V / GB
0601210037 GGS 27 Straight Mahlen 240 V / AUS
0601210042 GGS 27 gerade Mahlen 240 V / GB
0601415737 Elektronischer Bohrerschraubendreher 240 V / AUS
0601581037 ---- Orbital Jigsaw 240 V / AUS
0601581042 ---- Orbital Jigsaw 240 V / GB
0601581137 GST 60 PB Orbital Jigsaw 240 V / AUS
0601581142 GST 60 PB Universal Jigsaw 240 V / GB
0603261037 PAM 500 Combi-Router-Set 240 V / AUS
0603261037 PAM 500 Combi-Router-Set 240 V / AUS
0603261042 PAM 500 Antriebsmotor 240 V / GB
0603261737 POF 500 EA Router 240 V / AUS
0603261742 POF 500 EA Router 240 V / GB
0603261806 POF 500 A Router 240 V / Mal
0603261837 POF 500 A Combi-Router-Set 240 V / AUS
0603261842 POF 500 A Combi-Router-Set 240 V / GB
0603261864 POF 500 A Router 240 V / AUS
0603261865 POF 500 A Router 240 V / GB
0601582037 ---- Orbital Jigsaw 240 V / AUS
0603261742 POF 500 EA Router 240 V / GB
0603261806 POF 500 A Router 240 V / Mal
0603261837 POF 500 A Combi-Router-Set 240 V / AUS
0603261842 POF 500 A Combi-Router-Set 240 V / GB
0603261864 POF 500 A Router 240 V / AUS
0603261865 POF 500 A Router 240 V / GB
0601530137 GNA 2,0 Nibbler 240 V / Aus
0601415742 Elektronischer Bohrerschraubendreher 240 V / GB
0601530142 GNA 2,0 Nibbler 240 V / GB
0601416637 GSR 6-16 TE-Bohrschraubendreher 240 V / AUS
Marke: Bosch
SKU: 2604220462
EAN: 4059952247021
Neues echtes Bosch 2604220462 Feld
Feld
Der Ersatzteil ist in diesem Diagramm an der Position Nummer 102 dargestellt
Dieser Teil ist mit vielen Tools kompatibel, einschließlich der unten aufgeführten Modelle:
0601411737 elektronischer Schraubendreher 240 V / AUS
0601411742 Elektronischer Schraubendreher 240 V / GB
0601530106 GNA 2,0 Nibbler 240 V / Mal
0601210006 ggs 27 Straight Mahlen 240 V / Mal
0601126037 ---- Drill 240 V / Aus
0601126042 ---- Drill 240 V / GB
0601126737 ---- Drill 240 V / AUS
0601126742 ---- Drill 240 V / GB
0601127037 ---- Drill 240 V / Aus
0601127042 ---- Drill 240 V / GB
0601159737 Elektronischer R / L -Bohrer 240 V / AUS
0601159742 elektronischer R / L -Bohrer 240 V / GB
0601210037 GGS 27 Straight Mahlen 240 V / AUS
0601210042 GGS 27 gerade Mahlen 240 V / GB
0601415737 Elektronischer Bohrerschraubendreher 240 V / AUS
0601581037 ---- Orbital Jigsaw 240 V / AUS
0601581042 ---- Orbital Jigsaw 240 V / GB
0601581137 GST 60 PB Orbital Jigsaw 240 V / AUS
0601581142 GST 60 PB Universal Jigsaw 240 V / GB
0603261037 PAM 500 Combi-Router-Set 240 V / AUS
0603261037 PAM 500 Combi-Router-Set 240 V / AUS
0603261042 PAM 500 Antriebsmotor 240 V / GB
0603261737 POF 500 EA Router 240 V / AUS
0603261742 POF 500 EA Router 240 V / GB
0603261806 POF 500 A Router 240 V / Mal
0603261837 POF 500 A Combi-Router-Set 240 V / AUS
0603261842 POF 500 A Combi-Router-Set 240 V / GB
0603261864 POF 500 A Router 240 V / AUS
0603261865 POF 500 A Router 240 V / GB
0601582037 ---- Orbital Jigsaw 240 V / AUS
0603261742 POF 500 EA Router 240 V / GB
0603261806 POF 500 A Router 240 V / Mal
0603261837 POF 500 A Combi-Router-Set 240 V / AUS
0603261842 POF 500 A Combi-Router-Set 240 V / GB
0603261864 POF 500 A Router 240 V / AUS
0603261865 POF 500 A Router 240 V / GB
0601530137 GNA 2,0 Nibbler 240 V / Aus
0601415742 Elektronischer Bohrerschraubendreher 240 V / GB
0601530142 GNA 2,0 Nibbler 240 V / GB
0601416637 GSR 6-16 TE-Bohrschraubendreher 240 V / AUS
Marke: Bosch
SKU: 2604220462
EAN: 4059952247021
Neues echtes Bosch 2604220462 Feld
- Regulärer Preis
- $59.00
- Verkaufspreis
- $59.00
- Regulärer Preis
-
$34.00
Abholverfügbarkeit konnte nicht geladen werden
