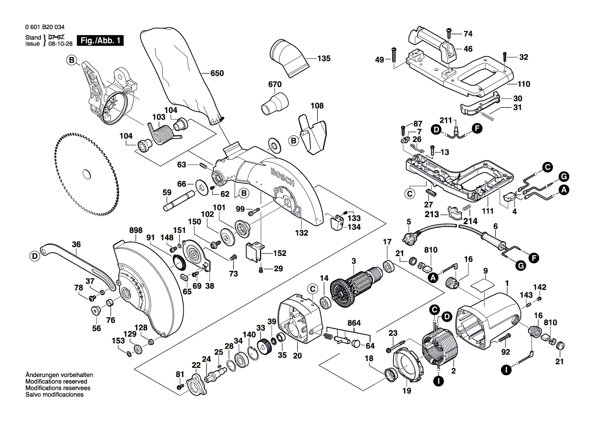
Über
Neuer echter Bosch 1609203H83 Griff
Handhaben
Der Ersatzteil ist in diesem Diagramm an der Position Nummer 110 dargestellt
Dieser Teil ist mit vielen Tools kompatibel, einschließlich der unten aufgeführten Modelle:
0601B20034 GCM 10 Slide MITRE SAW 115 V / SAM
0601B20003 GCM 10 Slide MITRE SAW 230 V / EU
0601B20008 GCM 10 Slide MITRE SAW 230 V / OEU
0601B20014 GCM 10 Slide MITRE SAW 220 V / BR
0601B20032 GCM 10 Slide MITRE SAW 230 V / CH
0601B20041 GCM 10 Slide MITRE SAW 110 V / GB
0601B20042 GCM 10 Slide MITRE SAW 230 V / GB
Marke: Bosch
SKU: 1609203H83
EAN:
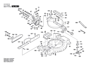
Neuer echter Bosch 1609203H83 Griff
Handhaben
Der Ersatzteil ist in diesem Diagramm an der Position Nummer 110 dargestellt
Dieser Teil ist mit vielen Tools kompatibel, einschließlich der unten aufgeführten Modelle:
0601B20034 GCM 10 Slide MITRE SAW 115 V / SAM
0601B20003 GCM 10 Slide MITRE SAW 230 V / EU
0601B20008 GCM 10 Slide MITRE SAW 230 V / OEU
0601B20014 GCM 10 Slide MITRE SAW 220 V / BR
0601B20032 GCM 10 Slide MITRE SAW 230 V / CH
0601B20041 GCM 10 Slide MITRE SAW 110 V / GB
0601B20042 GCM 10 Slide MITRE SAW 230 V / GB
Marke: Bosch
SKU: 1609203H83
EAN:
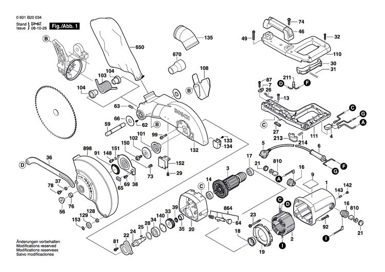
Neuer echter Bosch 1609203H83 Griff
- Regulärer Preis
- $42.00
- Verkaufspreis
- $42.00
- Regulärer Preis
-
$18.00
Abholverfügbarkeit konnte nicht geladen werden
