Über
Neuer echter Bosch 1600224025 Stützring
Ringring
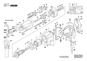
Der Ersatzteil wird in diesem Diagramm an der Position Nummer 29 dargestellt
Dieser Teil ist mit vielen Tools kompatibel, einschließlich der unten aufgeführten Modelle:
0601460000 ---- Fadenschneider 24 V / ---
0601460001 ---- Fadenschneider 110 V / EU
0601460003 ---- Fadenschneider 220 V / EU
0601460009 ---- Fadenschneider 42 V / NL
0601460032 ---- Fadenschneider 220 V / CH
0601460034 ---- Fadenschneider 115 V / Sam
0601460036 ---- Fadenschneider 220 V / NL
0601460037 ---- Fadenschneider 240 V / Aus
0601460041 ---- Fadenschneider 110 V / GB
0601460047 ---- Fadenschneider 110 V / ROM
0601460036 ---- Fadenschneider 220 V / NL
0601460037 ---- Fadenschneider 240 V / Aus
0601460041 ---- Fadenschneider 110 V / GB
0601460047 ---- Fadenschneider 110 V / ROM
0601460048 ---- Fadenschneider 220 V / F.
0601461000 ---- Fadenschneider 24 V / EU
0601461001 ---- Fadenschneider 110 V / EU
0601461003 ---- Fadenschneider 220 V / EU
0601461009 ---- Fadenschneider 42 V / NL
0601461032 ---- Fadenschneider 220 V / CH
0601461047 ---- Fadenschneider 110 V / ROM
0601461048 ---- Fadenschneider 220 V / F.
0601462703 Elektronischer Gewindeschneider 220 V / EU
0601462732 Elektronischer Gewindeschneider 220 V / CH
0601462733 Elektronischer Gewindeschneider 220 V / SKA
0601462734 1462 gegen Gewindeschneider 115 V / sAM
0601462737 Elektronischer Gewindeschneider 240 V / AUS
0601462738 Elektronischer Gewindeschneider 100 V / J.
0601462741 Elektronischer Gewindeschneider 110 V / GB
0601462742 Elektronischer Gewindeschneider 240 V / GB
0601462741 Elektronischer Gewindeschneider 110 V / GB
0601462742 Elektronischer Gewindeschneider 240 V / GB
0601462750 Elektronischer Gewindeschneider 220 V / i
0603939803 PDR 9,6 VE CRODLESS Percus Screwdriv 9,6 V / EU
0603939827 PDR 9,6 VE CRODLESS Percus Screwdriv 9,6 V / EU
0603939834 PDR 9,6 VE CRODLESS Percus Screwdriv 9,6 V / USA
0603939835 B 2220 kabellosen Percus Screwdriv 9,6 V / USA
0603939837 PDR 9,6 VE CRODLESS Percus Screwdriv 9,6 V / Aus
0603939842 PDR 9,6 VE CROCLESS Percus Screwdriv 9,6 V / GB
0603939866 PDR 9,6 VE CRODLESS Percus Screwdriv 9,6 V / EU
Marke: Bosch
SKU: 1600224025
EAN: 4059952002248
Neuer echter Bosch 1600224025 Stützring
Ringring
Der Ersatzteil wird in diesem Diagramm an der Position Nummer 29 dargestellt
Dieser Teil ist mit vielen Tools kompatibel, einschließlich der unten aufgeführten Modelle:
0601460000 ---- Fadenschneider 24 V / ---
0601460001 ---- Fadenschneider 110 V / EU
0601460003 ---- Fadenschneider 220 V / EU
0601460009 ---- Fadenschneider 42 V / NL
0601460032 ---- Fadenschneider 220 V / CH
0601460034 ---- Fadenschneider 115 V / Sam
0601460036 ---- Fadenschneider 220 V / NL
0601460037 ---- Fadenschneider 240 V / Aus
0601460041 ---- Fadenschneider 110 V / GB
0601460047 ---- Fadenschneider 110 V / ROM
0601460036 ---- Fadenschneider 220 V / NL
0601460037 ---- Fadenschneider 240 V / Aus
0601460041 ---- Fadenschneider 110 V / GB
0601460047 ---- Fadenschneider 110 V / ROM
0601460048 ---- Fadenschneider 220 V / F.
0601461000 ---- Fadenschneider 24 V / EU
0601461001 ---- Fadenschneider 110 V / EU
0601461003 ---- Fadenschneider 220 V / EU
0601461009 ---- Fadenschneider 42 V / NL
0601461032 ---- Fadenschneider 220 V / CH
0601461047 ---- Fadenschneider 110 V / ROM
0601461048 ---- Fadenschneider 220 V / F.
0601462703 Elektronischer Gewindeschneider 220 V / EU
0601462732 Elektronischer Gewindeschneider 220 V / CH
0601462733 Elektronischer Gewindeschneider 220 V / SKA
0601462734 1462 gegen Gewindeschneider 115 V / sAM
0601462737 Elektronischer Gewindeschneider 240 V / AUS
0601462738 Elektronischer Gewindeschneider 100 V / J.
0601462741 Elektronischer Gewindeschneider 110 V / GB
0601462742 Elektronischer Gewindeschneider 240 V / GB
0601462741 Elektronischer Gewindeschneider 110 V / GB
0601462742 Elektronischer Gewindeschneider 240 V / GB
0601462750 Elektronischer Gewindeschneider 220 V / i
0603939803 PDR 9,6 VE CRODLESS Percus Screwdriv 9,6 V / EU
0603939827 PDR 9,6 VE CRODLESS Percus Screwdriv 9,6 V / EU
0603939834 PDR 9,6 VE CRODLESS Percus Screwdriv 9,6 V / USA
0603939835 B 2220 kabellosen Percus Screwdriv 9,6 V / USA
0603939837 PDR 9,6 VE CRODLESS Percus Screwdriv 9,6 V / Aus
0603939842 PDR 9,6 VE CROCLESS Percus Screwdriv 9,6 V / GB
0603939866 PDR 9,6 VE CRODLESS Percus Screwdriv 9,6 V / EU
Marke: Bosch
SKU: 1600224025
EAN: 4059952002248
Neuer echter Bosch 1600224025 Stützring
- Regulärer Preis
- $25.00
- Verkaufspreis
- $25.00
- Regulärer Preis
-
$2.00
Abholverfügbarkeit konnte nicht geladen werden
