Über
NEUE EURNISCHE BOSCH 2607950504 EINFACH ENGIGKEIT. Schlüssel
Einkopf-Eng. Schlüssel
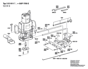
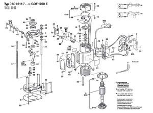
Der Ersatzteil ist in diesem Diagramm an der Position Nummer 657 dargestellt
Dieser Teil ist mit vielen Tools kompatibel, einschließlich der unten aufgeführten Modelle:
0602318001 ---- Winkelmühle 265 V / ---
0600700003 SHO 160 Oberflächen- / Dicke Planer 220 V / EU
0600700032 SHO 160 Oberflächen- / Dicke Planer 220 V / CH
0600700033 SHO 160 Oberflächen- / Dicke Planer 220 V / DK
0600700037 SHO 160 Oberfläche / Dicke Planer 240 V / AUS
0600700042 SHO 160 Oberfläche / Dicke Planer 240 V / GB
0600700048 SHO 160 Oberflächen- / Dicke Planer 220 V / F.
0600700050 SHO 160 Oberfläche / Dicke Planer 220 V / i
0600700060 SHO 160 Oberflächen- / Dicke Planer 220 V / D
0600700103 SHO 280 Oberflächen- / Dicke Planer 220 V / EU
0600700132 SHO 280 Oberflächen- / Dicke Hobel 220 V / CH
0600700133 SHO 280 Oberflächen / Dicke Planer 220 V / DK
0600700137 SHO 280 Oberfläche / Dicke Planer 240 V / AUS
0600700142 SHO 280 Oberfläche / Dicke Planer 240 V / GB
0600700148 SHO 280 Oberflächen- / Dicke Hobel 220 V / F.
0600700150 SHO 280 Oberflächen- / Dicke Hobel 220 V / i
0600700160 SHO 280 Oberfläche / Dicke Hobel 220 V / EU
0603296003 Pho 25-82 Tragbarer Planer 230 V / EU
0603296008 Pho 25-83 Tragbarer PLEER 230 V / OEU
0603296032 Pho 25-84 Tragbarer Planer 230 v / ch
0603259260 Pho 30-82 Tragbarer Planer 230 V / N
0602318004 ---- Winkelmühle 135 V / ---
0602318007 ---- Winkelmühle 72 V / ---
0602319004 ---- Winkelmühle / ---
0602319011 ---- Winkelmühle / ---
0600700003 SHO 160 Oberflächen- / Dicke Planer 220 V / EU
0600700032 SHO 160 Oberflächen- / Dicke Planer 220 V / CH
0600700033 SHO 160 Oberflächen- / Dicke Planer 220 V / DK
0600700037 SHO 160 Oberfläche / Dicke Planer 240 V / AUS
0600700042 SHO 160 Oberfläche / Dicke Planer 240 V / GB
0601611734 GOF 1700 E Router 115 V / USA
0601611737 GOF 1700 E Industrial Router 240 V / AUS
0601611739 ---- Router 115 V / USA
0601611741 GOF 1700 E Industrial Router 110 V / GB
0601611742 GOF 1700 E Industrial Router 240 V / GB
0601611745 GOF 1700 E Industrial Router 115 V / CDN
0601611748 GOF 1700 E Industrial Router 220 V / F.
0601611750 GOF 1700 E Router 220 V / i
0601611761 GOF 1700 E Router 220 V / USA
0601593003 Gho 31-82 Tragbarer Planer 230 V / EU
Marke: Bosch
SKU: 2607950504
EAN: 4059952268361
NEUE EURNISCHE BOSCH 2607950504 EINFACH ENGIGKEIT. Schlüssel
Einkopf-Eng. Schlüssel
Der Ersatzteil ist in diesem Diagramm an der Position Nummer 657 dargestellt
Dieser Teil ist mit vielen Tools kompatibel, einschließlich der unten aufgeführten Modelle:
0602318001 ---- Winkelmühle 265 V / ---
0600700003 SHO 160 Oberflächen- / Dicke Planer 220 V / EU
0600700032 SHO 160 Oberflächen- / Dicke Planer 220 V / CH
0600700033 SHO 160 Oberflächen- / Dicke Planer 220 V / DK
0600700037 SHO 160 Oberfläche / Dicke Planer 240 V / AUS
0600700042 SHO 160 Oberfläche / Dicke Planer 240 V / GB
0600700048 SHO 160 Oberflächen- / Dicke Planer 220 V / F.
0600700050 SHO 160 Oberfläche / Dicke Planer 220 V / i
0600700060 SHO 160 Oberflächen- / Dicke Planer 220 V / D
0600700103 SHO 280 Oberflächen- / Dicke Planer 220 V / EU
0600700132 SHO 280 Oberflächen- / Dicke Hobel 220 V / CH
0600700133 SHO 280 Oberflächen / Dicke Planer 220 V / DK
0600700137 SHO 280 Oberfläche / Dicke Planer 240 V / AUS
0600700142 SHO 280 Oberfläche / Dicke Planer 240 V / GB
0600700148 SHO 280 Oberflächen- / Dicke Hobel 220 V / F.
0600700150 SHO 280 Oberflächen- / Dicke Hobel 220 V / i
0600700160 SHO 280 Oberfläche / Dicke Hobel 220 V / EU
0603296003 Pho 25-82 Tragbarer Planer 230 V / EU
0603296008 Pho 25-83 Tragbarer PLEER 230 V / OEU
0603296032 Pho 25-84 Tragbarer Planer 230 v / ch
0603259260 Pho 30-82 Tragbarer Planer 230 V / N
0602318004 ---- Winkelmühle 135 V / ---
0602318007 ---- Winkelmühle 72 V / ---
0602319004 ---- Winkelmühle / ---
0602319011 ---- Winkelmühle / ---
0600700003 SHO 160 Oberflächen- / Dicke Planer 220 V / EU
0600700032 SHO 160 Oberflächen- / Dicke Planer 220 V / CH
0600700033 SHO 160 Oberflächen- / Dicke Planer 220 V / DK
0600700037 SHO 160 Oberfläche / Dicke Planer 240 V / AUS
0600700042 SHO 160 Oberfläche / Dicke Planer 240 V / GB
0601611734 GOF 1700 E Router 115 V / USA
0601611737 GOF 1700 E Industrial Router 240 V / AUS
0601611739 ---- Router 115 V / USA
0601611741 GOF 1700 E Industrial Router 110 V / GB
0601611742 GOF 1700 E Industrial Router 240 V / GB
0601611745 GOF 1700 E Industrial Router 115 V / CDN
0601611748 GOF 1700 E Industrial Router 220 V / F.
0601611750 GOF 1700 E Router 220 V / i
0601611761 GOF 1700 E Router 220 V / USA
0601593003 Gho 31-82 Tragbarer Planer 230 V / EU
Marke: Bosch
SKU: 2607950504
EAN: 4059952268361
NEUE EURNISCHE BOSCH 2607950504 EINFACH ENGIGKEIT. Schlüssel
- Regulärer Preis
- $25.00
- Verkaufspreis
- $25.00
- Regulärer Preis
-
$2.00
Abholverfügbarkeit konnte nicht geladen werden
