Über
Eigenschaften
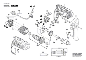
Neue echte Bosch 2609120232 Anker
Anker
Der Ersatzteil ist in diesem Diagramm an der Position Nummer 803 dargestellt
Dieser Teil ist mit vielen Tools kompatibel, einschließlich der unten aufgeführten Modelle:
3601d775f2 GBM 13 Re Drill 230 v / ind
3601B16080 GSB 10 Percussion Drill 230 V / CN
3601B16081 GSB 10 Percussion Drill 230 V / CN
3601B16082 GSB 10 Percussion Drill 220 V / CN
3601B16090 GSB 10 Percussion Drill 230 V / SMA
3601B16091 GSB 10 Percussion Drill 230 V / SMA
3601B160J0 GSB 10 Percussion Drill 230 V / HK
3601B160J1 GSB 10 Percussion Drill / HK
3601B160K0 GSB 10 Percussion Drill 230 V / ASI
3601B160K1 GSB 10 Percussion Drill 230 V / ASI
3601B160K0 GSB 10 Percussion Drill 230 V / ASI
3601B160K1 GSB 10 Percussion Drill 230 V / ASI
3601B16180 GSB 10 Reperkussion Drill 230 V / CN
3601B16181 GSB 10 Reperkussion Bohrer 220 V / CN
3601B16190 GSB 10 Reperkussion Drill 230 V / SMA
3601B16191 GSB 10 Reperkussion Bohrer 120 V / SMA
3601B161B0 GSB 10 Reperkussion Drill 220 V / ROK
3601b161b1 GSB 10 Reperkussion Bohrer 220 V / ROK
3601B161F4 GSB10RE -Auswirkung Drill SB1 230 V / IND
3601B161F6 GSB 500 RE -Impact Drill SB1 230 V / IND
3601B161FB GSB10RE -Auswirkung Drill SB1 230 V / IND
3601B161FC GSB 500RE -Auswirkungsübungen SB1 230 V / IND
3601B161FD GSB 501 Impact Drill SB1 230 V / IND
3601B161FE GSB 450 Impact Drill SB1 230 V / IND
3601B161J0 GSB 10 Reperkussion Bohrer 230 V / HK
3601B161J1 GSB 10 Reperkussion Drill 230 V / ---
3601B161K0 GSB 10 Reperkussion Drill 230 V / ASI
3601B161K1 GSB 10 Reperkussion Drill 230 V / ASI
3601B161L0 GSB 10 Reperkussion Drill 240 V / MAL
3601B161L1 GSB 10 Reperkussion Drill 240 V / MAL
3601b161p0 GSB 10 Reperkussion Drill 115 V / SAM
3601B17070 GSB 13 Percussion Drill 230 V / ---
3601b17080 GSB 13 Percussion Drill 230 V / CN
3601b17081 GSB 13 Percussion Drill 230 V / CN
3601b17090 GSB 13 Percussion Drill 230 V / SMA
3601b17091 GSB 13 Percussion Drill 230 V / SMA
3601b17092 GSB 13 Percussion Drill 230 V / EU
3601b17093 GSB 13 Percussion Drill 230 V / SMA
3601B170J0 GSB 13 Percussion Drill 230 V / HK
3601B170J1 GSB 13 Percussion Drill 230 V / HK
Anker
Der Ersatzteil ist in diesem Diagramm an der Position Nummer 803 dargestellt
Dieser Teil ist mit vielen Tools kompatibel, einschließlich der unten aufgeführten Modelle:
3601d775f2 GBM 13 Re Drill 230 v / ind
3601B16080 GSB 10 Percussion Drill 230 V / CN
3601B16081 GSB 10 Percussion Drill 230 V / CN
3601B16082 GSB 10 Percussion Drill 220 V / CN
3601B16090 GSB 10 Percussion Drill 230 V / SMA
3601B16091 GSB 10 Percussion Drill 230 V / SMA
3601B160J0 GSB 10 Percussion Drill 230 V / HK
3601B160J1 GSB 10 Percussion Drill / HK
3601B160K0 GSB 10 Percussion Drill 230 V / ASI
3601B160K1 GSB 10 Percussion Drill 230 V / ASI
3601B160K0 GSB 10 Percussion Drill 230 V / ASI
3601B160K1 GSB 10 Percussion Drill 230 V / ASI
3601B16180 GSB 10 Reperkussion Drill 230 V / CN
3601B16181 GSB 10 Reperkussion Bohrer 220 V / CN
3601B16190 GSB 10 Reperkussion Drill 230 V / SMA
3601B16191 GSB 10 Reperkussion Bohrer 120 V / SMA
3601B161B0 GSB 10 Reperkussion Drill 220 V / ROK
3601b161b1 GSB 10 Reperkussion Bohrer 220 V / ROK
3601B161F4 GSB10RE -Auswirkung Drill SB1 230 V / IND
3601B161F6 GSB 500 RE -Impact Drill SB1 230 V / IND
3601B161FB GSB10RE -Auswirkung Drill SB1 230 V / IND
3601B161FC GSB 500RE -Auswirkungsübungen SB1 230 V / IND
3601B161FD GSB 501 Impact Drill SB1 230 V / IND
3601B161FE GSB 450 Impact Drill SB1 230 V / IND
3601B161J0 GSB 10 Reperkussion Bohrer 230 V / HK
3601B161J1 GSB 10 Reperkussion Drill 230 V / ---
3601B161K0 GSB 10 Reperkussion Drill 230 V / ASI
3601B161K1 GSB 10 Reperkussion Drill 230 V / ASI
3601B161L0 GSB 10 Reperkussion Drill 240 V / MAL
3601B161L1 GSB 10 Reperkussion Drill 240 V / MAL
3601b161p0 GSB 10 Reperkussion Drill 115 V / SAM
3601B17070 GSB 13 Percussion Drill 230 V / ---
3601b17080 GSB 13 Percussion Drill 230 V / CN
3601b17081 GSB 13 Percussion Drill 230 V / CN
3601b17090 GSB 13 Percussion Drill 230 V / SMA
3601b17091 GSB 13 Percussion Drill 230 V / SMA
3601b17092 GSB 13 Percussion Drill 230 V / EU
3601b17093 GSB 13 Percussion Drill 230 V / SMA
3601B170J0 GSB 13 Percussion Drill 230 V / HK
3601B170J1 GSB 13 Percussion Drill 230 V / HK
Eigenschaften
Neue echte Bosch 2609120232 Anker
Anker
Der Ersatzteil ist in diesem Diagramm an der Position Nummer 803 dargestellt
Dieser Teil ist mit vielen Tools kompatibel, einschließlich der unten aufgeführten Modelle:
3601d775f2 GBM 13 Re Drill 230 v / ind
3601B16080 GSB 10 Percussion Drill 230 V / CN
3601B16081 GSB 10 Percussion Drill 230 V / CN
3601B16082 GSB 10 Percussion Drill 220 V / CN
3601B16090 GSB 10 Percussion Drill 230 V / SMA
3601B16091 GSB 10 Percussion Drill 230 V / SMA
3601B160J0 GSB 10 Percussion Drill 230 V / HK
3601B160J1 GSB 10 Percussion Drill / HK
3601B160K0 GSB 10 Percussion Drill 230 V / ASI
3601B160K1 GSB 10 Percussion Drill 230 V / ASI
3601B160K0 GSB 10 Percussion Drill 230 V / ASI
3601B160K1 GSB 10 Percussion Drill 230 V / ASI
3601B16180 GSB 10 Reperkussion Drill 230 V / CN
3601B16181 GSB 10 Reperkussion Bohrer 220 V / CN
3601B16190 GSB 10 Reperkussion Drill 230 V / SMA
3601B16191 GSB 10 Reperkussion Bohrer 120 V / SMA
3601B161B0 GSB 10 Reperkussion Drill 220 V / ROK
3601b161b1 GSB 10 Reperkussion Bohrer 220 V / ROK
3601B161F4 GSB10RE -Auswirkung Drill SB1 230 V / IND
3601B161F6 GSB 500 RE -Impact Drill SB1 230 V / IND
3601B161FB GSB10RE -Auswirkung Drill SB1 230 V / IND
3601B161FC GSB 500RE -Auswirkungsübungen SB1 230 V / IND
3601B161FD GSB 501 Impact Drill SB1 230 V / IND
3601B161FE GSB 450 Impact Drill SB1 230 V / IND
3601B161J0 GSB 10 Reperkussion Bohrer 230 V / HK
3601B161J1 GSB 10 Reperkussion Drill 230 V / ---
3601B161K0 GSB 10 Reperkussion Drill 230 V / ASI
3601B161K1 GSB 10 Reperkussion Drill 230 V / ASI
3601B161L0 GSB 10 Reperkussion Drill 240 V / MAL
3601B161L1 GSB 10 Reperkussion Drill 240 V / MAL
3601b161p0 GSB 10 Reperkussion Drill 115 V / SAM
3601B17070 GSB 13 Percussion Drill 230 V / ---
3601b17080 GSB 13 Percussion Drill 230 V / CN
3601b17081 GSB 13 Percussion Drill 230 V / CN
3601b17090 GSB 13 Percussion Drill 230 V / SMA
3601b17091 GSB 13 Percussion Drill 230 V / SMA
3601b17092 GSB 13 Percussion Drill 230 V / EU
3601b17093 GSB 13 Percussion Drill 230 V / SMA
3601B170J0 GSB 13 Percussion Drill 230 V / HK
3601B170J1 GSB 13 Percussion Drill 230 V / HK
Anker
Der Ersatzteil ist in diesem Diagramm an der Position Nummer 803 dargestellt
Dieser Teil ist mit vielen Tools kompatibel, einschließlich der unten aufgeführten Modelle:
3601d775f2 GBM 13 Re Drill 230 v / ind
3601B16080 GSB 10 Percussion Drill 230 V / CN
3601B16081 GSB 10 Percussion Drill 230 V / CN
3601B16082 GSB 10 Percussion Drill 220 V / CN
3601B16090 GSB 10 Percussion Drill 230 V / SMA
3601B16091 GSB 10 Percussion Drill 230 V / SMA
3601B160J0 GSB 10 Percussion Drill 230 V / HK
3601B160J1 GSB 10 Percussion Drill / HK
3601B160K0 GSB 10 Percussion Drill 230 V / ASI
3601B160K1 GSB 10 Percussion Drill 230 V / ASI
3601B160K0 GSB 10 Percussion Drill 230 V / ASI
3601B160K1 GSB 10 Percussion Drill 230 V / ASI
3601B16180 GSB 10 Reperkussion Drill 230 V / CN
3601B16181 GSB 10 Reperkussion Bohrer 220 V / CN
3601B16190 GSB 10 Reperkussion Drill 230 V / SMA
3601B16191 GSB 10 Reperkussion Bohrer 120 V / SMA
3601B161B0 GSB 10 Reperkussion Drill 220 V / ROK
3601b161b1 GSB 10 Reperkussion Bohrer 220 V / ROK
3601B161F4 GSB10RE -Auswirkung Drill SB1 230 V / IND
3601B161F6 GSB 500 RE -Impact Drill SB1 230 V / IND
3601B161FB GSB10RE -Auswirkung Drill SB1 230 V / IND
3601B161FC GSB 500RE -Auswirkungsübungen SB1 230 V / IND
3601B161FD GSB 501 Impact Drill SB1 230 V / IND
3601B161FE GSB 450 Impact Drill SB1 230 V / IND
3601B161J0 GSB 10 Reperkussion Bohrer 230 V / HK
3601B161J1 GSB 10 Reperkussion Drill 230 V / ---
3601B161K0 GSB 10 Reperkussion Drill 230 V / ASI
3601B161K1 GSB 10 Reperkussion Drill 230 V / ASI
3601B161L0 GSB 10 Reperkussion Drill 240 V / MAL
3601B161L1 GSB 10 Reperkussion Drill 240 V / MAL
3601b161p0 GSB 10 Reperkussion Drill 115 V / SAM
3601B17070 GSB 13 Percussion Drill 230 V / ---
3601b17080 GSB 13 Percussion Drill 230 V / CN
3601b17081 GSB 13 Percussion Drill 230 V / CN
3601b17090 GSB 13 Percussion Drill 230 V / SMA
3601b17091 GSB 13 Percussion Drill 230 V / SMA
3601b17092 GSB 13 Percussion Drill 230 V / EU
3601b17093 GSB 13 Percussion Drill 230 V / SMA
3601B170J0 GSB 13 Percussion Drill 230 V / HK
3601B170J1 GSB 13 Percussion Drill 230 V / HK
Neue echte Bosch 2609120232 Anker
- Regulärer Preis
- $56.00
- Verkaufspreis
- $56.00
- Regulärer Preis
-
$31.00
Steuer enthalten.
Abholverfügbarkeit konnte nicht geladen werden
