Über
Neue echte Bosch 2601119399 Hersteller -Typenschild
Hersteller -Typenschild
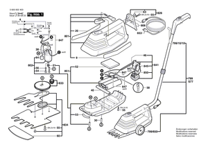
Der Ersatzteil wird in diesem Diagramm an der Position Nummer 9 dargestellt
Dieser Teil ist mit vielen Tools kompatibel, einschließlich der unten aufgeführten Modelle:
0600832403 AGS 70 Schnurlose Grasschere 7.2 V / EU
0600832442 AGS 70 Schnurlose Grasschere 7,2 V / GB
0600831403 AGS 10-6 Kabelless-Grasschere 7,2 V / EU
0603231603 AGS 10-6 Hedge Trimmer 230 V / EU
Marke: Bosch
SKU: 2601119399
EAN:
Neue echte Bosch 2601119399 Hersteller -Typenschild
Hersteller -Typenschild
Der Ersatzteil wird in diesem Diagramm an der Position Nummer 9 dargestellt
Dieser Teil ist mit vielen Tools kompatibel, einschließlich der unten aufgeführten Modelle:
0600832403 AGS 70 Schnurlose Grasschere 7.2 V / EU
0600832442 AGS 70 Schnurlose Grasschere 7,2 V / GB
0600831403 AGS 10-6 Kabelless-Grasschere 7,2 V / EU
0603231603 AGS 10-6 Hedge Trimmer 230 V / EU
Marke: Bosch
SKU: 2601119399
EAN:
Neue echte Bosch 2601119399 Hersteller -Typenschild
- Regulärer Preis
- $26.00
- Verkaufspreis
- $26.00
- Regulärer Preis
-
$3.00
Abholverfügbarkeit konnte nicht geladen werden
