Über
Neue echte Bosch 1609203707 Zahnwelle
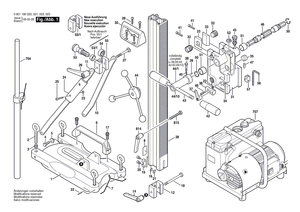
Zahnwelle
Der Ersatzteil ist in diesem Diagramm an der Position Nummer 46 dargestellt
Dieser Teil ist mit vielen Tools kompatibel, einschließlich der unten aufgeführten Modelle:
0601190020 S 500 Bohrstand / ---
0601190021 S 500 Bohrstand / OEU
0601190022 S 500 Bohrstand / ASI
0601190023 S 500 Drill Stand / USA
0601190025 S 500 A Drill Stand / EU
Marke: Bosch
SKU: 1609203707
EAN: 4059952070841
Neue echte Bosch 1609203707 Zahnwelle
Zahnwelle
Der Ersatzteil ist in diesem Diagramm an der Position Nummer 46 dargestellt
Dieser Teil ist mit vielen Tools kompatibel, einschließlich der unten aufgeführten Modelle:
0601190020 S 500 Bohrstand / ---
0601190021 S 500 Bohrstand / OEU
0601190022 S 500 Bohrstand / ASI
0601190023 S 500 Drill Stand / USA
0601190025 S 500 A Drill Stand / EU
Marke: Bosch
SKU: 1609203707
EAN: 4059952070841
Neue echte Bosch 1609203707 Zahnwelle
- Regulärer Preis
- $51.00
- Verkaufspreis
- $51.00
- Regulärer Preis
-
$26.00
Abholverfügbarkeit konnte nicht geladen werden
