Über
Neue echte Bosch 1609203680 Hex Sockel Head Cap Screw
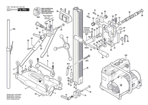
Hex -Sockel -Kopfdeckerschraube
Der Ersatzteil ist in diesem Diagramm an der Position Nummer 20 dargestellt
Dieser Teil ist mit vielen Tools kompatibel, einschließlich der unten aufgeführten Modelle:
0601190020 S 500 Bohrstand / ---
0601190021 S 500 Bohrstand / OEU
0601190022 S 500 Bohrstand / ASI
0601190023 S 500 Drill Stand / USA
0601190025 S 500 A Drill Stand / EU
Marke: Bosch
SKU: 1609203680
EAN: 4059952070650
Neue echte Bosch 1609203680 Hex Sockel Head Cap Screw
Hex -Sockel -Kopfdeckerschraube
Der Ersatzteil ist in diesem Diagramm an der Position Nummer 20 dargestellt
Dieser Teil ist mit vielen Tools kompatibel, einschließlich der unten aufgeführten Modelle:
0601190020 S 500 Bohrstand / ---
0601190021 S 500 Bohrstand / OEU
0601190022 S 500 Bohrstand / ASI
0601190023 S 500 Drill Stand / USA
0601190025 S 500 A Drill Stand / EU
Marke: Bosch
SKU: 1609203680
EAN: 4059952070650
Neue echte Bosch 1609203680 Hex Sockel Head Cap Screw
- Regulärer Preis
- $24.00
- Verkaufspreis
- $24.00
- Regulärer Preis
-
$2.00
Abholverfügbarkeit konnte nicht geladen werden
