About
New Genuine Bosch 1619PB6019 Switch Button
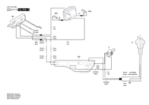
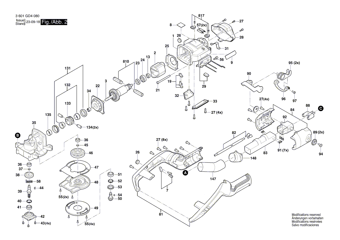
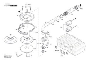
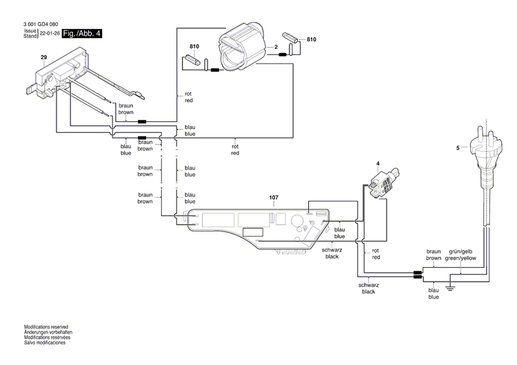
Switch Button
The spare part is represented in this diagram at position number 101
This part is compatible with many tools including the models listed below:
3601GD4000 GTR 55-225 Drywall sander 230 V / EU
3601GD4010 GTR55-85 Drywall sander 120 V / USA
3601GD4020 GTR 550 Drywall sander 230 V / OEU
3601GD4030 GTR 55-225 Drywall sander 230 V / CH
3601GD4040 GTR 55-225 Drywall sander 230 V / AUS
3601GD4060 GTR 55-225 Drywall sander 110 V / GB
3601GD4070 GTR 55-225 Drywall sander 230 V / GB
3601GD4080 GTR 550 Drywall sander 220 V / CN
3601GD40B0 GTR 55-225 Drywall sander 230 V / ROK
3601GD40D0 GTR 550 Drywall sander 127 V / BR
3601GD40E0 GTR 550 Drywall sander 220 V / BR
3601GD40F0 GTR 550 Drywall sander 230 V / IND
3601GD40K0 GTR 550 Drywall sander 230 V / ASI
3601GD40L0 GTR 550 Drywall sander 230 V / MAL
3601GD40M0 GTR 550 Drywall sander 220 V / IL
Brand: Bosch
SKU: 1619PB6019
EAN: 4059952633183
New Genuine Bosch 1619PB6019 Switch Button
Switch Button
The spare part is represented in this diagram at position number 101
This part is compatible with many tools including the models listed below:
3601GD4000 GTR 55-225 Drywall sander 230 V / EU
3601GD4010 GTR55-85 Drywall sander 120 V / USA
3601GD4020 GTR 550 Drywall sander 230 V / OEU
3601GD4030 GTR 55-225 Drywall sander 230 V / CH
3601GD4040 GTR 55-225 Drywall sander 230 V / AUS
3601GD4060 GTR 55-225 Drywall sander 110 V / GB
3601GD4070 GTR 55-225 Drywall sander 230 V / GB
3601GD4080 GTR 550 Drywall sander 220 V / CN
3601GD40B0 GTR 55-225 Drywall sander 230 V / ROK
3601GD40D0 GTR 550 Drywall sander 127 V / BR
3601GD40E0 GTR 550 Drywall sander 220 V / BR
3601GD40F0 GTR 550 Drywall sander 230 V / IND
3601GD40K0 GTR 550 Drywall sander 230 V / ASI
3601GD40L0 GTR 550 Drywall sander 230 V / MAL
3601GD40M0 GTR 550 Drywall sander 220 V / IL
Brand: Bosch
SKU: 1619PB6019
EAN: 4059952633183
New Genuine Bosch 1619PB6019 Switch Button
- Regular price
- €24,14
- Sale price
- €24,14
- Regular price
-
€0,74
Couldn't load pickup availability
