Om
Egenskaper
Ny ekte Bosch 2601118814 Merkplate
Merkeplate
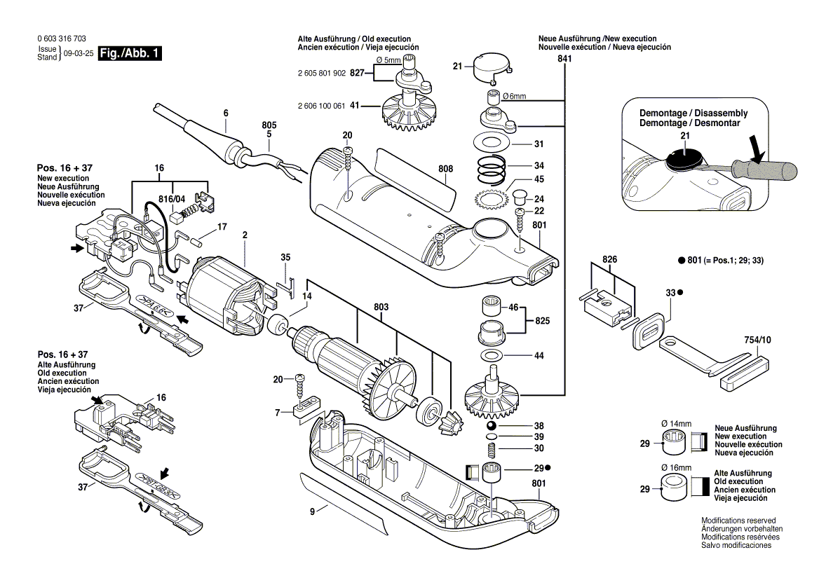
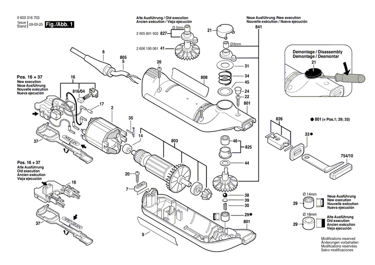
Reservedelen er representert i dette diagrammet på posisjonsnummer 808
Denne delen er kompatibel med mange verktøy, inkludert modellene som er oppført nedenfor:
0603316737 PSE 180 E Electric Scraper 240 V / AUS
Merke: Bosch
SKU: 2601118814
EAN:
Egenskaper
Ny ekte Bosch 2601118814 Merkplate
Merkeplate
Reservedelen er representert i dette diagrammet på posisjonsnummer 808
Denne delen er kompatibel med mange verktøy, inkludert modellene som er oppført nedenfor:
0603316737 PSE 180 E Electric Scraper 240 V / AUS
Merke: Bosch
SKU: 2601118814
EAN:
Ny ekte Bosch 2601118814 Merkplate
- Vanlig pris
- $26.00
- Salgspris
- $26.00
- Vanlig pris
-
$3.00
Skatt inkludert.
Kunne ikke laste tilgjengelighet
