Om
Egenskaper
Ny ekte Bosch 2601117807 markeringsplate
Merkeplate
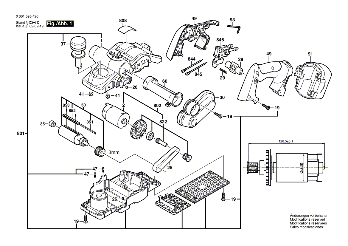
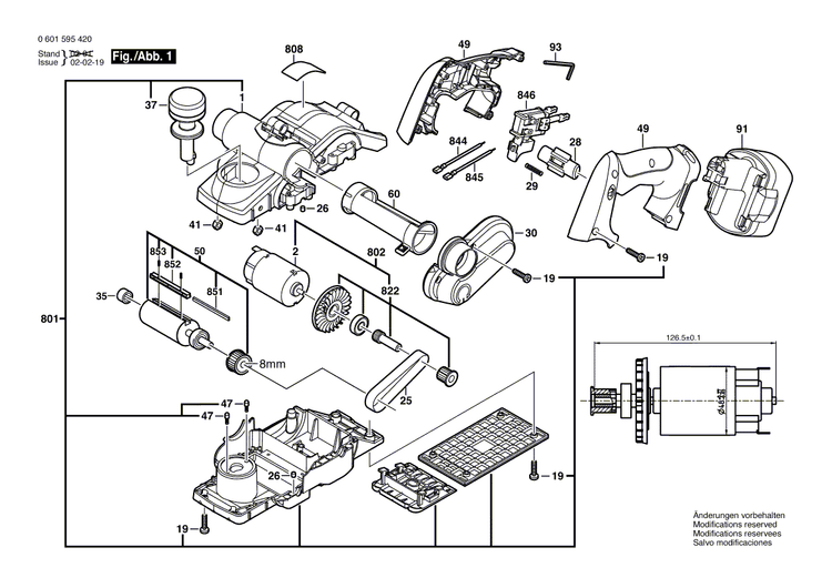
Reservedelen er representert i dette diagrammet på posisjonsnummer 808
Denne delen er kompatibel med mange verktøy, inkludert modellene som er oppført nedenfor:
0601595420 GHO 14,4 V Portable Planer 14.4 V / EU
Merke: Bosch
SKU: 2601117807
EAN:
Egenskaper
Ny ekte Bosch 2601117807 markeringsplate
Merkeplate
Reservedelen er representert i dette diagrammet på posisjonsnummer 808
Denne delen er kompatibel med mange verktøy, inkludert modellene som er oppført nedenfor:
0601595420 GHO 14,4 V Portable Planer 14.4 V / EU
Merke: Bosch
SKU: 2601117807
EAN:
Ny ekte Bosch 2601117807 Merkplate
- Vanlig pris
- $26.00
- Salgspris
- $26.00
- Vanlig pris
-
$3.00
Skatt inkludert.
Kunne ikke laste tilgjengelighet
