Om
Ny ekte Bosch 1604431004 tilkoblingskabel
Koble til kabel
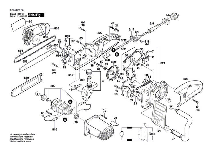
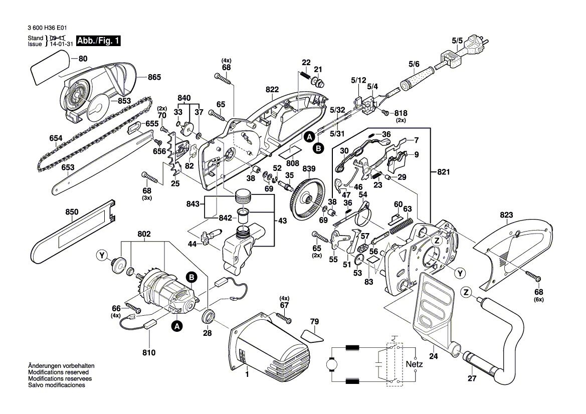
Reservedelen er representert i dette diagrammet på posisjonsnummer 5/32
Denne delen er kompatibel med mange verktøy, inkludert modellene som er oppført nedenfor:
0600836003 Ake 30-17 S kjeder Saw 230 V / EU
0600836037 Ake 30-17 S kjeder Saw 240 V / AUS
0600836042 Ake 30-17 S kjeder Saw 230 V / GB
0600836103 Ake 35-17 S kjeder Saw 230 V / EU
0600836132 ake 35-17 S kjeder Saw 230 V / CH
0600836137 Ake 35-17 S kjeder Saw 240 V / AUS
0600836142 Ake 35-17 S kjeder Saw 230 V / GB
0600836203 Ake 40-17 S kjeder Saw 230 V / EU
0600836232 Ake 40-17 S kjeder Saw 230 V / CH
0600836237 Ake 40-17 S kjeder Saw 240 V / AUS
0600836242 Ake 40-17 S kjeder Saw 230 V / GB
0600836703 ake 35-19 kjeder Saw 230 V / EU
0600836732 ake 35-19 kjedesag 230 V / CH
0600836742 Ake 35-19 kjeder Saw 230 V / GB
0600836803 Ake 40-19 kjeder Saw 230 V / EU
0600836832 ake 40-19 kjedesag 230 V / CH
0600836842 Ake 40-19 kjeder Saw 230 V / GB
06008368A0 Ake 40-19 kjeder Saw 230 V / EU
06008368A1 Ake 40-19 kjeder Saw 230 V / CH
06008368A2 Ake 40-19 kjeder Saw 230 V / GB
3600H36A00 AKE 30-18 S kjeder Saw 230 V / EU
3600H36A70 Ake 30-18 S kjeder Saw 230 V / GB
3600H36B00 ake 35-18 S kjeder Saw 230 V / EU
3600H36B30 ake 35-18 S kjeder Saw 230 V / CH
3600H36B70 ake 35-18 S kjeder Saw 230 V / GB
3600H36C00 Ake 40-18 S kjeder Saw 230 V / EU
3600H36C30 Ake 40-18 s kjedesag 230 V / CH
3600H36C70 Ake 40-18 S kjeder Saw 230 V / GB
3600h36d00 ake 30-19 s kjedesag 230 V / EU
3600H36E00 Ake 35-19 S kjeder Saw 230 V / EU
3600H36E01 Ake 35-19 S kjeder Saw 230 V / ---
3600H36E30 Ake 35-19 S kjeder Saw 230 V / CH
3600H36E31 Ake 35-19 S kjeder Saw 230 V / ---
3600H36E70 Ake 35-19 S kjeder Saw 230 V / GB
3600H36E71 Ake 35-19 S kjeder Saw 230 V / ---
3600H36E80 AKE 35-19 S KJEDE SAW 220 V / CN
3600H36E81 AKE 35-19 S KJEDE SAW 220 V / ---
3600H36F00 Ake 40-19 S kjeder Saw 230 V / ---
3600H36F01 Ake 40-19 S Chain Saw 230 V / EU
3600H36F30 Ake 40-19 s kjedesag 230 V / CH
Merke: Bosch
SKU: 1604431004
EAN: 4059952045986
Ny ekte Bosch 1604431004 tilkoblingskabel
Koble til kabel
Reservedelen er representert i dette diagrammet på posisjonsnummer 5/32
Denne delen er kompatibel med mange verktøy, inkludert modellene som er oppført nedenfor:
0600836003 Ake 30-17 S kjeder Saw 230 V / EU
0600836037 Ake 30-17 S kjeder Saw 240 V / AUS
0600836042 Ake 30-17 S kjeder Saw 230 V / GB
0600836103 Ake 35-17 S kjeder Saw 230 V / EU
0600836132 ake 35-17 S kjeder Saw 230 V / CH
0600836137 Ake 35-17 S kjeder Saw 240 V / AUS
0600836142 Ake 35-17 S kjeder Saw 230 V / GB
0600836203 Ake 40-17 S kjeder Saw 230 V / EU
0600836232 Ake 40-17 S kjeder Saw 230 V / CH
0600836237 Ake 40-17 S kjeder Saw 240 V / AUS
0600836242 Ake 40-17 S kjeder Saw 230 V / GB
0600836703 ake 35-19 kjeder Saw 230 V / EU
0600836732 ake 35-19 kjedesag 230 V / CH
0600836742 Ake 35-19 kjeder Saw 230 V / GB
0600836803 Ake 40-19 kjeder Saw 230 V / EU
0600836832 ake 40-19 kjedesag 230 V / CH
0600836842 Ake 40-19 kjeder Saw 230 V / GB
06008368A0 Ake 40-19 kjeder Saw 230 V / EU
06008368A1 Ake 40-19 kjeder Saw 230 V / CH
06008368A2 Ake 40-19 kjeder Saw 230 V / GB
3600H36A00 AKE 30-18 S kjeder Saw 230 V / EU
3600H36A70 Ake 30-18 S kjeder Saw 230 V / GB
3600H36B00 ake 35-18 S kjeder Saw 230 V / EU
3600H36B30 ake 35-18 S kjeder Saw 230 V / CH
3600H36B70 ake 35-18 S kjeder Saw 230 V / GB
3600H36C00 Ake 40-18 S kjeder Saw 230 V / EU
3600H36C30 Ake 40-18 s kjedesag 230 V / CH
3600H36C70 Ake 40-18 S kjeder Saw 230 V / GB
3600h36d00 ake 30-19 s kjedesag 230 V / EU
3600H36E00 Ake 35-19 S kjeder Saw 230 V / EU
3600H36E01 Ake 35-19 S kjeder Saw 230 V / ---
3600H36E30 Ake 35-19 S kjeder Saw 230 V / CH
3600H36E31 Ake 35-19 S kjeder Saw 230 V / ---
3600H36E70 Ake 35-19 S kjeder Saw 230 V / GB
3600H36E71 Ake 35-19 S kjeder Saw 230 V / ---
3600H36E80 AKE 35-19 S KJEDE SAW 220 V / CN
3600H36E81 AKE 35-19 S KJEDE SAW 220 V / ---
3600H36F00 Ake 40-19 S kjeder Saw 230 V / ---
3600H36F01 Ake 40-19 S Chain Saw 230 V / EU
3600H36F30 Ake 40-19 s kjedesag 230 V / CH
Merke: Bosch
SKU: 1604431004
EAN: 4059952045986
Ny ekte Bosch 1604431004 tilkoblingskabel
- Vanlig pris
- $25.00
- Salgspris
- $25.00
- Vanlig pris
-
$2.00
Kunne ikke laste tilgjengelighet
