Om
Egenskaper
Ny ekte Bosch 160111A4N2 Navneskilt
Typeskilt
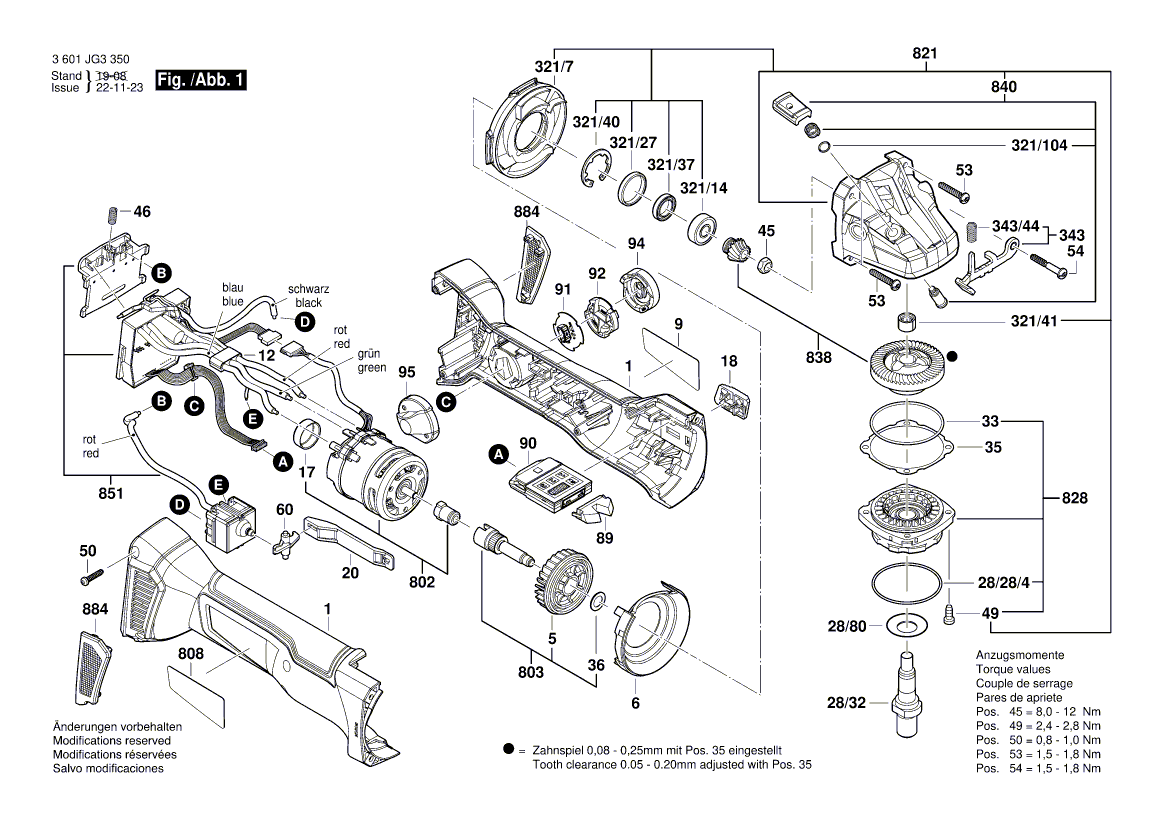
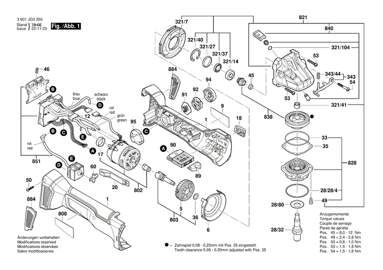
Reservedelen er representert i dette diagrammet på posisjonsnummer 808
Denne delen er kompatibel med mange verktøy, inkludert modellene som er oppført nedenfor:
3601JG33B0 GWS 18V-100 SC Trådløs vinkelkvern 18 V / ROK
Merke: Bosch
SKU: 160111A4N2
EAN: 4059952031798
Egenskaper
Ny ekte Bosch 160111A4N2 Navneskilt
Typeskilt
Reservedelen er representert i dette diagrammet på posisjonsnummer 808
Denne delen er kompatibel med mange verktøy, inkludert modellene som er oppført nedenfor:
3601JG33B0 GWS 18V-100 SC Trådløs vinkelkvern 18 V / ROK
Merke: Bosch
SKU: 160111A4N2
EAN: 4059952031798
Ny ekte Bosch 160111A4N2 Navneskilt
- Vanlig pris
- $26.00
- Salgspris
- $26.00
- Vanlig pris
-
$3.00
Skatt inkludert.
Kunne ikke laste tilgjengelighet
