Om
Egenskaper
Ny ekte Bosch 160111a32x typeskilt
Typeskilt
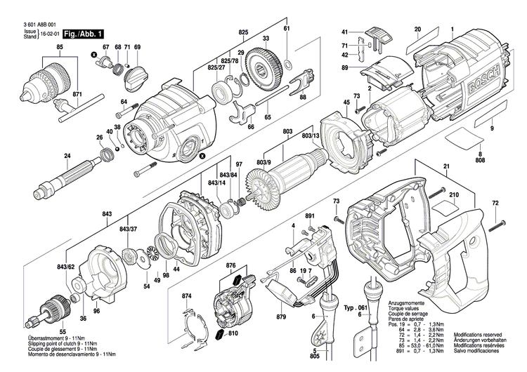
Reservedelen er representert i dette diagrammet på posisjonsnummer 808
Denne delen er kompatibel med mange verktøy, inkludert modellene som er oppført nedenfor:
3601A8B072 GSB 162-2 Re Percussion Drill 230 V / GB
Merke: Bosch
SKU: 160111A32X
EAN: 4059952028552
Egenskaper
Ny ekte Bosch 160111a32x typeskilt
Typeskilt
Reservedelen er representert i dette diagrammet på posisjonsnummer 808
Denne delen er kompatibel med mange verktøy, inkludert modellene som er oppført nedenfor:
3601A8B072 GSB 162-2 Re Percussion Drill 230 V / GB
Merke: Bosch
SKU: 160111A32X
EAN: 4059952028552
Ny ekte Bosch 160111a32x typeskilt
- Vanlig pris
- $25.00
- Salgspris
- $25.00
- Vanlig pris
-
$2.00
Skatt inkludert.
Kunne ikke laste tilgjengelighet
