Om
Egenskaper
Ny ekte Bosch 160111A2SR -typeskilt
Typeskilt
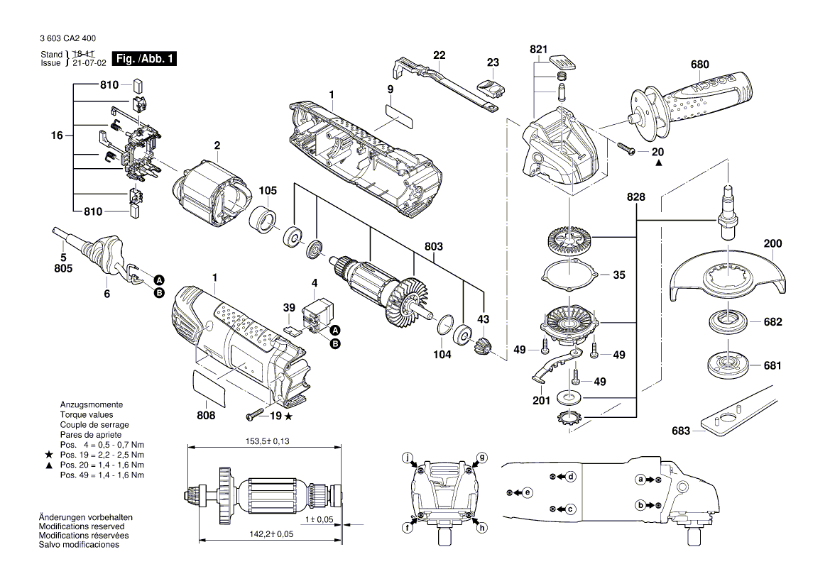
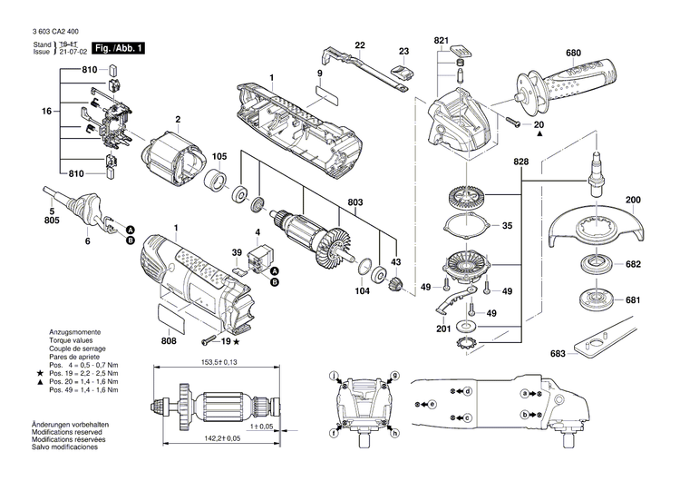
Reservedelen er representert i dette diagrammet på posisjonsnummer 808
Denne delen er kompatibel med mange verktøy, inkludert modellene som er oppført nedenfor:
3603CA2403 PWS Universal+ Angle Grinder 230 V / EU
Merke: Bosch
SKU: 160111A2Sr
EAN: 4053423213829
Egenskaper
Ny ekte Bosch 160111A2SR -typeskilt
Typeskilt
Reservedelen er representert i dette diagrammet på posisjonsnummer 808
Denne delen er kompatibel med mange verktøy, inkludert modellene som er oppført nedenfor:
3603CA2403 PWS Universal+ Angle Grinder 230 V / EU
Merke: Bosch
SKU: 160111A2Sr
EAN: 4053423213829
Ny ekte Bosch 160111A2SR -typeskilt
- Vanlig pris
- $25.00
- Salgspris
- $25.00
- Vanlig pris
-
$2.00
Skatt inkludert.
Kunne ikke laste tilgjengelighet
