Om
Egenskaper
Ny ekte Bosch 160111A20Z navneskilt
Typeskilt
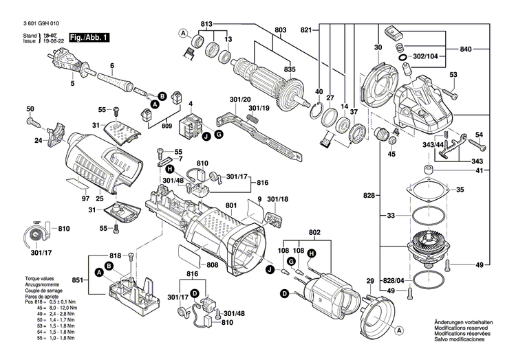
Reservedelen er representert i dette diagrammet på posisjonsnummer 808
Denne delen er kompatibel med mange verktøy, inkludert modellene som er oppført nedenfor:
3601G9H010 GWS 13-50 vs Angle Grinder 120 V / USA
Merke: Bosch
SKU: 160111A20Z
EAN: 4059952027821
Egenskaper
Ny ekte Bosch 160111A20Z navneskilt
Typeskilt
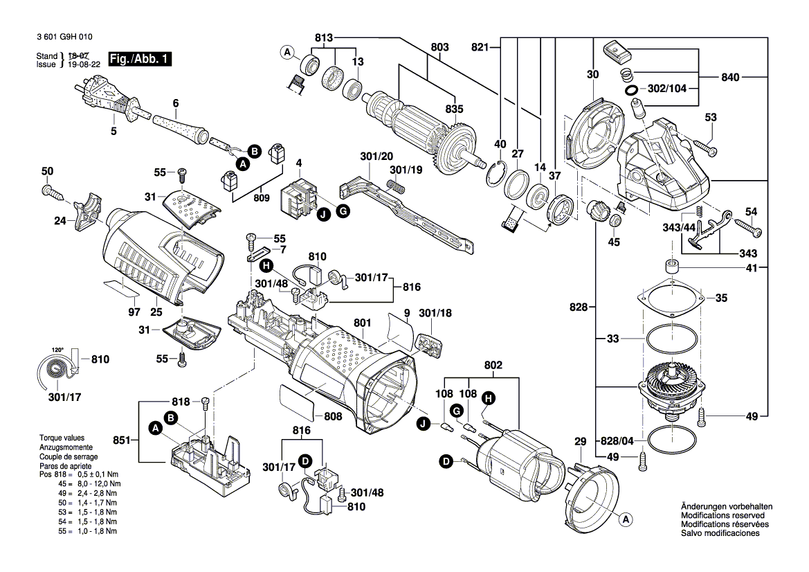
Reservedelen er representert i dette diagrammet på posisjonsnummer 808
Denne delen er kompatibel med mange verktøy, inkludert modellene som er oppført nedenfor:
3601G9H010 GWS 13-50 vs Angle Grinder 120 V / USA
Merke: Bosch
SKU: 160111A20Z
EAN: 4059952027821
Ny ekte Bosch 160111A20Z navneskilt
- Vanlig pris
- $25.00
- Salgspris
- $25.00
- Vanlig pris
-
$2.00
Skatt inkludert.
Kunne ikke laste tilgjengelighet
