À propos
Nouvelle véritable plaque signalétique du fabricant Bosch 160111C0T4
Plaque signalétique du fabricant
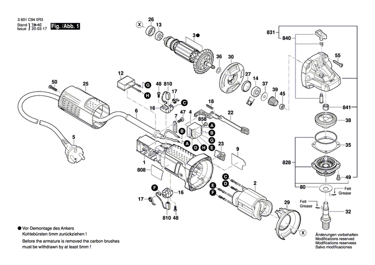
La pièce de rechange est représentée dans ce diagramme à la position numéro 9
Cette pièce est compatible avec de nombreux outils, y compris les modèles énumérés ci-dessous:
3601C940R4 GWS750-125 Angle Grinder 220 V / RU
Marque: Bosch
SKU: 160111C0T4
EAN: 4059952036069
Nouvelle véritable plaque signalétique du fabricant Bosch 160111C0T4
Plaque signalétique du fabricant
La pièce de rechange est représentée dans ce diagramme à la position numéro 9
Cette pièce est compatible avec de nombreux outils, y compris les modèles énumérés ci-dessous:
3601C940R4 GWS750-125 Angle Grinder 220 V / RU
Marque: Bosch
SKU: 160111C0T4
EAN: 4059952036069
Nouvelle véritable plaque signalétique du fabricant Bosch 160111C0T4
- Prix régulier
- $25.00
- Prix de vente
- $25.00
- Prix régulier
-
$2.00
Impossible de charger la disponibilité du ramassage
