À propos
NOUVELLE BOSCH VOLIQUE BOSCH 1609B08102
Support
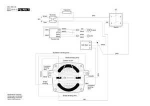
La pièce de rechange est représentée dans ce diagramme à la position numéro 155
Cette pièce est compatible avec de nombreux outils, y compris les modèles énumérés ci-dessous:
3601M49100 GCM 305-254 D Le composé de mitre a vu 230 v / ---
3601M49130 GCM 305-254 D MITER COMPOST SAW 230 V / CH
3601M49140 GCM 305-254 D MITER COMPOST SAVE 24 V / ---
3601M49170 GCM 305-254 D Le composé de mitre a vu 230 v / ---
3601M491B0 GCM 305-254 D Le composé de mitre a vu 230 v / ---
3601M51100 GCM 18V-254 D MITER COMPOST SAW 18 V / EU
3601M51140 GCM 18V-254 D MITER COMPOST SAW 18 V / AUS
3601M51180 GCM 18V-254 D Mitre de composé SAW 18 V / CN
3601M511B0 GCM 18V-254 D MITER COMPOST SAW 18 V / ASI
Marque: Bosch
SKU: 1609B08102
EAN: 4059952704319
NOUVELLE BOSCH VOLIQUE BOSCH 1609B08102
Support
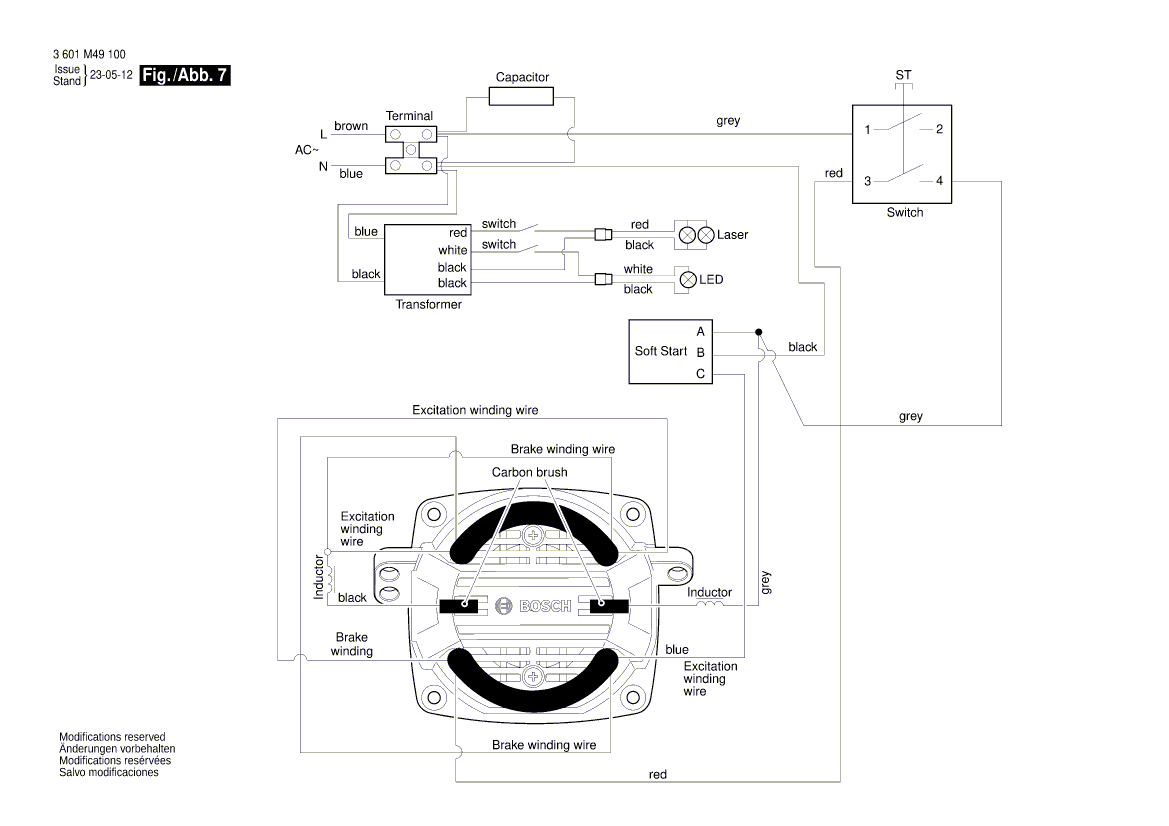
La pièce de rechange est représentée dans ce diagramme à la position numéro 155
Cette pièce est compatible avec de nombreux outils, y compris les modèles énumérés ci-dessous:
3601M49100 GCM 305-254 D Le composé de mitre a vu 230 v / ---
3601M49130 GCM 305-254 D MITER COMPOST SAW 230 V / CH
3601M49140 GCM 305-254 D MITER COMPOST SAVE 24 V / ---
3601M49170 GCM 305-254 D Le composé de mitre a vu 230 v / ---
3601M491B0 GCM 305-254 D Le composé de mitre a vu 230 v / ---
3601M51100 GCM 18V-254 D MITER COMPOST SAW 18 V / EU
3601M51140 GCM 18V-254 D MITER COMPOST SAW 18 V / AUS
3601M51180 GCM 18V-254 D Mitre de composé SAW 18 V / CN
3601M511B0 GCM 18V-254 D MITER COMPOST SAW 18 V / ASI
Marque: Bosch
SKU: 1609B08102
EAN: 4059952704319
NOUVELLE BOSCH VOLIQUE BOSCH 1609B08102
- Prix régulier
- $103.00
- Prix de vente
- $103.00
- Prix régulier
-
$73.00
Impossible de charger la disponibilité du ramassage
