À propos
Caractéristiques
Nouveau véritable Bosch 2601117157 Plaque signalétique
Plaque
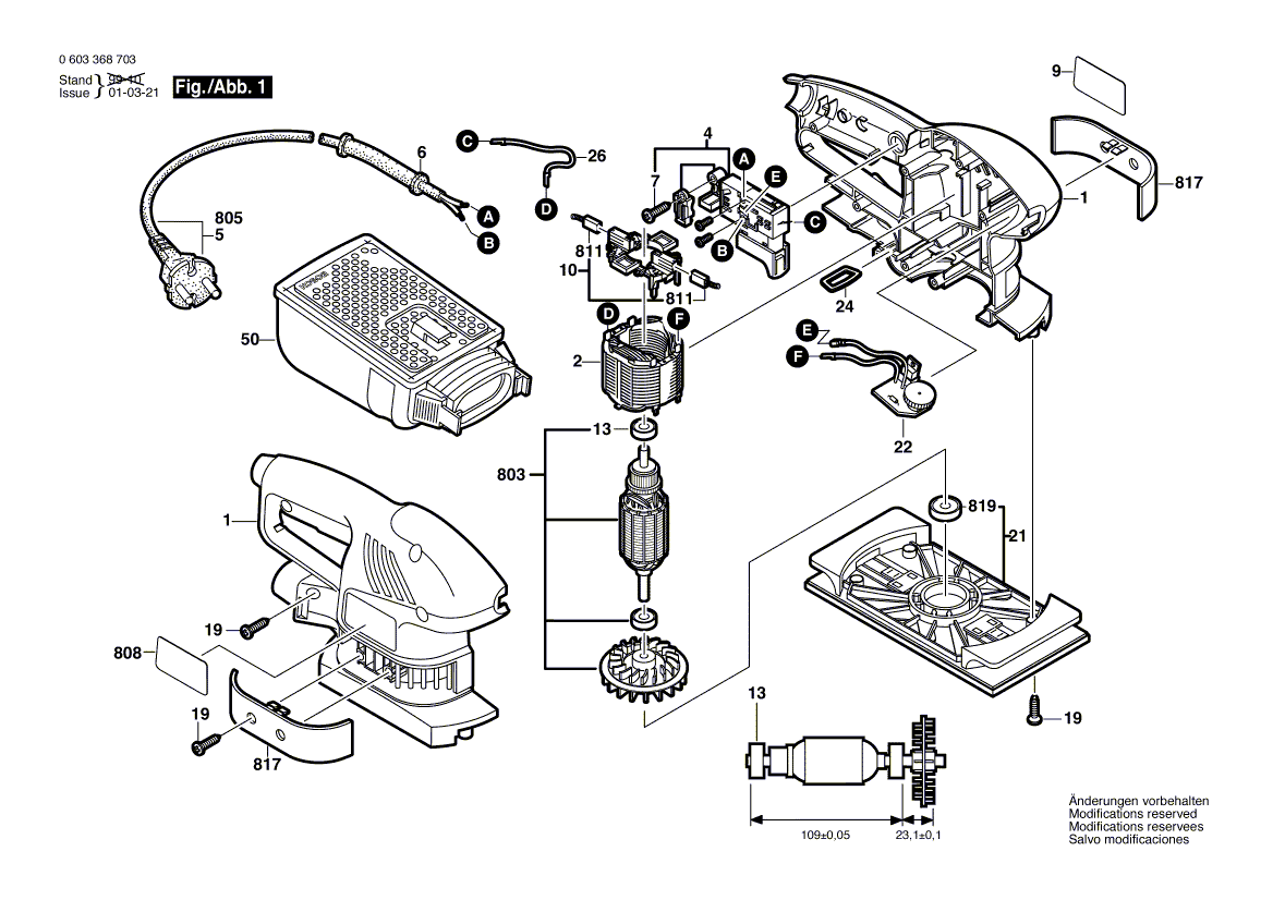
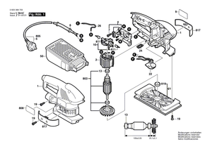
La pièce de rechange est représentée dans ce diagramme à la position numéro 808
Cette pièce est compatible avec de nombreux outils, y compris les modèles énumérés ci-dessous:
0603368703 PSS 240 AE SANDER ORBIAL 230 V / EU
Marque: Bosch
SKU: 2601117157
Ean:
Caractéristiques
Nouveau véritable Bosch 2601117157 Plaque signalétique
Plaque
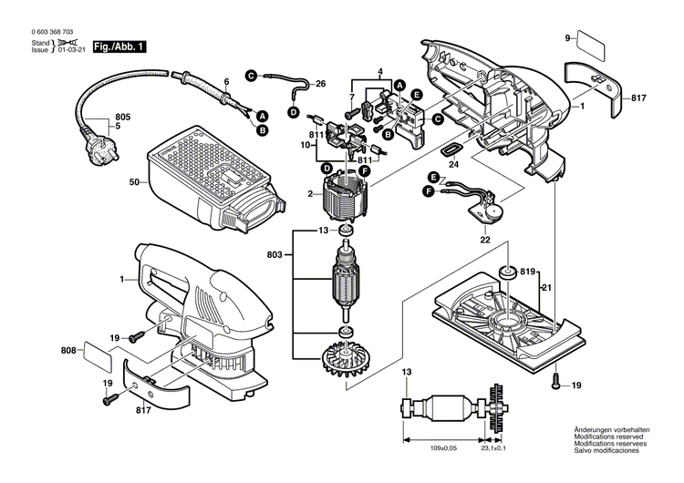
La pièce de rechange est représentée dans ce diagramme à la position numéro 808
Cette pièce est compatible avec de nombreux outils, y compris les modèles énumérés ci-dessous:
0603368703 PSS 240 AE SANDER ORBIAL 230 V / EU
Marque: Bosch
SKU: 2601117157
Ean:
Nouveau véritable Bosch 2601117157 Plaque signalétique
- Prix régulier
- $26.00
- Prix de vente
- $26.00
- Prix régulier
-
$3.00
Taxe incluse.
Impossible de charger la disponibilité du ramassage
