À propos
Caractéristiques
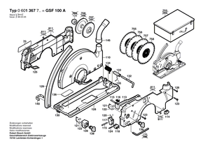
Nouveau véritable bosch 1601990001 Catchage de sécurité
Capture de sécurité
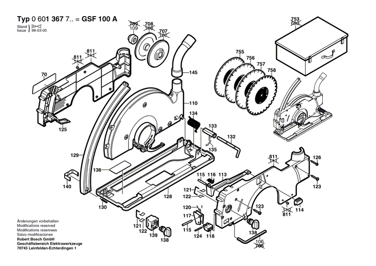
La pièce de rechange est représentée dans ce diagramme à la position numéro 117
Cette pièce est compatible avec de nombreux outils, y compris les modèles énumérés ci-dessous:
0601367703 GSF 100 Une machine de chasse murale 230 v / eu
0601367732 GSF 100 Une machine de chasse murale 230 v / ch
0601367734 GSF 100 Une machine de chasse murale 115 V / SAM
0601367737 GSF 100 Une machine de chasse murale 240 V / AUS
0601367739 ---- MACHE DE CHASING MACHINE 115 V / USA
0601367740 GSF 100 Une machine de chasse murale 220 V / ROK
0601367741 GSF 100 Une machine de chasse murale 110 v / gb
0601367742 GSF 100 Une machine de chasse murale 240 V / gb
0601367750 GSF 100 Une machine de chasse murale 230 v / i
060136765 GSF 100 Une machine de chasse murale 230 V / S
Capture de sécurité
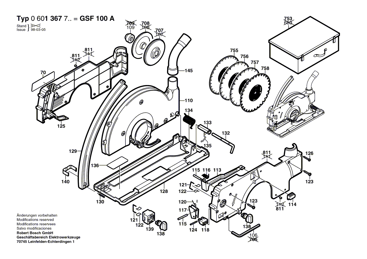
La pièce de rechange est représentée dans ce diagramme à la position numéro 117
Cette pièce est compatible avec de nombreux outils, y compris les modèles énumérés ci-dessous:
0601367703 GSF 100 Une machine de chasse murale 230 v / eu
0601367732 GSF 100 Une machine de chasse murale 230 v / ch
0601367734 GSF 100 Une machine de chasse murale 115 V / SAM
0601367737 GSF 100 Une machine de chasse murale 240 V / AUS
0601367739 ---- MACHE DE CHASING MACHINE 115 V / USA
0601367740 GSF 100 Une machine de chasse murale 220 V / ROK
0601367741 GSF 100 Une machine de chasse murale 110 v / gb
0601367742 GSF 100 Une machine de chasse murale 240 V / gb
0601367750 GSF 100 Une machine de chasse murale 230 v / i
060136765 GSF 100 Une machine de chasse murale 230 V / S
Caractéristiques
Nouveau véritable bosch 1601990001 Catchage de sécurité
Capture de sécurité
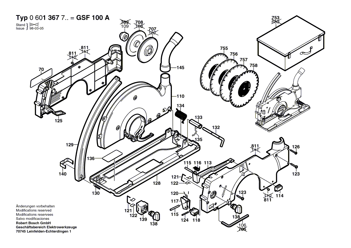
La pièce de rechange est représentée dans ce diagramme à la position numéro 117
Cette pièce est compatible avec de nombreux outils, y compris les modèles énumérés ci-dessous:
0601367703 GSF 100 Une machine de chasse murale 230 v / eu
0601367732 GSF 100 Une machine de chasse murale 230 v / ch
0601367734 GSF 100 Une machine de chasse murale 115 V / SAM
0601367737 GSF 100 Une machine de chasse murale 240 V / AUS
0601367739 ---- MACHE DE CHASING MACHINE 115 V / USA
0601367740 GSF 100 Une machine de chasse murale 220 V / ROK
0601367741 GSF 100 Une machine de chasse murale 110 v / gb
0601367742 GSF 100 Une machine de chasse murale 240 V / gb
0601367750 GSF 100 Une machine de chasse murale 230 v / i
060136765 GSF 100 Une machine de chasse murale 230 V / S
Capture de sécurité
La pièce de rechange est représentée dans ce diagramme à la position numéro 117
Cette pièce est compatible avec de nombreux outils, y compris les modèles énumérés ci-dessous:
0601367703 GSF 100 Une machine de chasse murale 230 v / eu
0601367732 GSF 100 Une machine de chasse murale 230 v / ch
0601367734 GSF 100 Une machine de chasse murale 115 V / SAM
0601367737 GSF 100 Une machine de chasse murale 240 V / AUS
0601367739 ---- MACHE DE CHASING MACHINE 115 V / USA
0601367740 GSF 100 Une machine de chasse murale 220 V / ROK
0601367741 GSF 100 Une machine de chasse murale 110 v / gb
0601367742 GSF 100 Une machine de chasse murale 240 V / gb
0601367750 GSF 100 Une machine de chasse murale 230 v / i
060136765 GSF 100 Une machine de chasse murale 230 V / S
Nouveau véritable bosch 1601990001 Catchage de sécurité
- Prix régulier
- $34.00
- Prix de vente
- $34.00
- Prix régulier
-
$10.00
Taxe incluse.
Impossible de charger la disponibilité du ramassage
